Chapter 16
Vitreous: From Biochemistry to Clinical Relevance
J. SEBAG and KENNETH M. P. YEE
Main Menu   Table Of Contents

Search

VITREOUS BIOCHEMISTRY
VITREOUS ANATOMY
AGE-RELATED VITREOUS DEGENERATION
VITREOUS PATHOLOGY
PHARMACOLOGIC VITREOLYSIS
REFERENCES

Although vitreous is the largest structure within the eye, comprising 80% of its volume, our knowledge of vitreous structure and function is perhaps the least of all ocular tissues. Historically, investigations of vitreous structure have been hampered by two fundamental difficulties: first, any attempts to define vitreous morphology are attempts to visualize a tissue that is invisible by design (Fig. 1).1 Considerable barriers must be overcome to adequately study the structure of an invisible tissue. Second, the various techniques that were used previously to define vitreous structure were fraught with artifacts that biased the results of these investigations. Thus, as noted by Baurmann2 and Redslob,3 histologic studies performed during the nineteenth and early twentieth centuries were flawed by the use of tissue fixatives that caused the precipitation of what we recognize today as the glycosaminoglycan (GAG) hyaluronan (HA; formerly called hyaluronic acid).

Fig. 1. Vitreous from a 9-month-old child. The sclera, choroid, and retina were dissected off the vitreous, which remains attached to the anterior segment. Because of the young age of the donor, the vitreous is almost entirely gel. Thus, the structure is solid and maintains its shape, although situated on a surgical towel exposed to room air. A band of gray tissue can be seen posterior to the ora serrata. This is peripheral retina that was firmly adherent to the vitreous base and could not be dissected away without disrupting the vitreous base. (Courtesy of the New England Eye Bank, Boston, MA)

The development of slit-lamp biomicroscopy by Gullstrand4 in 1912 generated a great deal of excitement because it was anticipated that this technique would enable investigations of vitreous structure without the introduction of artifacts. Yet as noted by Redslob,3 a varied set of descriptions resulted, mostly because of the first of the previously mentioned inherent difficulties (i.e., vitreous is largely invisible). This problem even persists in more recent investigations. Eisner5 has described membranelles; Worst,6 cisterns; Sebag and Balazs,7,8 fibers; and Kishi and Shimizu,9 pockets in the vitreous body. It is likely that the membranelles described by Eisner are composed of the collagen fibers described by Sebag and Balazs. The observation of so-called pockets by Kishi and Shimizu has been explained as the result of age-related liquefaction of vitreous gel, with little relevance to the normal macromolecular structure.10,11

A clear concept of vitreous structure can only derive from an accurate understanding of its macromolecular organization. The following describes the molecular constituents of vitreous and the macromolecular organization that results in the exquisite anatomic structure of vitreous. Aging and disease-related changes are described as they pertain to the pathophysiology of the major vitreoretinal disorders12,13 as well as the rationales of surgical intervention14 and preventative15,16 modalities.

Back to Top
VITREOUS BIOCHEMISTRY

MOLECULAR CONSTITUENTS

Collagens

Collagen is an important structural protein in vitreous, as in connective tissues everywhere. Gloor17 pointed out that the collagen content is highest where the vitreous is a gel. Gross18 was the first to claim that vitreous collagen fibrils are morphologically distinct from collagen in other connective tissues. Yet, Swann and co-workers19 demonstrated that the amino acid composition of the insoluble residue of vitreous is similar to that of cartilage collagen and later identified that it is most similar to cartilage collagen composed of α1 type II chains.20 Comparisons of the arthritogenic and immunologic properties of collagens from bovine articular cartilage (type II) and vitreous showed that the two were indistinguishable by these assays.21 However, subsequent studies22 demonstrated that while vitreous collagen contains an α1 type II chain similar to cartilage collagen, there is a lower alanine content. Furthermore, these studies found that vitreous collagen has additional peptides present as uncleaved extension chains containing an amino acid composition different from the alpha chain component. The investigators concluded, however, that the overall similarities in amino acid composition and in the types of cyanogen bromide cleavage peptides indicate that the fibers of the central and posterior peripheral regions of the vitreous are composed of a collagen that should be classified as type II. Schmut and associates23 used differential salt precipitation of pepsin-solubilized collagen from bovine vitreous and found that type II collagen is the major component of native vitreous fibers. Linsenmayer and collaborators24 measured in vivo synthesis of types I and II collagen in chick embryo vitreous by radioimmunoprecipitation after tritiated proline labeling and found that over 90% of the labeled material in the vitreous was type II collagen. Snowden25 provided further physicochemical evidence in support of the similarities between vitreous and cartilage collagens. Considered as a whole, this body of work may explain why certain clinical phenomena, such as inborn errors of type II collagen metabolism in arthro-ophthalmopathies, manifest phenotypic expression in each of these two tissues.

There are, however, distinct differences in the chemical composition of vitreous and cartilage collagens that are only partly due to the presence of terminal peptide constituents in vitreous collagen. Swann and Sotman26 have demonstrated that the carbohydrate content of pepsin-solubilized vitreous α chains is significantly greater than cartilage α chains, indicating that the carbohydrate side chains of vitreous collagen are largely composed of disaccharide units similar to those found in basement membrane collagen. They proposed that these distinct chemical features are related to the special structure of the mature vitreous fibrils in vivo. Liang and Chakrabarti27 have shown that there are differences between bovine cartilage and vitreous with respect to collagen fibril growth, melting temperature, and fluorescence with a hydrophobic fluorescent probe. These investigators and others28 proposed that vitreous collagen should be considered a special type II collagen. Ayad and Weiss29 demonstrated that type II is the major vitreous collagen in bovine vitreous but collagens composed of α1, α2, and α3 chains as well as C-PS disulfide-bonded collagen were present in concentrations similar to those in cartilage. In contrast to cartilage, however, vitreous type II collagen was significantly more hydroxylated in the lysine and proline residues. The α1, α2, and α3 collagen chains were interpreted by Van der Rest30 to represent type IX collagen. Eyre and colleagues31 felt that there was evidence to indicate the presence of type V collagen in vitreous. Furthermore, with respect to the disulfide-bonded collagen, vitreous had three times more C-PS1 and C-PS2 collagens than cartilage although the molar ratio of C-PS1 to C-PS2 in both was 1:1, suggesting that in both tissues these collagens are components of a larger molecule, possibly a derivative of type IX collagen. In this regard vitreous is once again similar to cartilage, insofar as both contain type IX collagen, although the two tissues differ in the sizes of type IX collagen chains.32 Hong and Davison33 have identified a procollagen in the soluble fraction of rabbit vitreous that was identified as type II by segment-long spacing-banding patterns. Detection of a propeptide extension only at the N-terminus prompted these investigators to conclude that this was a novel type II procollagen. Such distinctive characteristics are possibly related to the unique physiologic roles of vitreous, in particular, its mechanical function.12

Vitreous collagen fibrils are organized as a triple helix of three alpha chains (Fig. 2). The collagen fibrils of vitreous are heterotypic, consisting of more than one collagen type. Recent studies of pepsinized forms of collagen confirm that vitreous contains collagen type II, a hybrid of types V/XI, and type IX 34,35

Fig. 2. Schematic diagram of vitreous collagen fibril organization (d'après Bishop62). The central core of vitreous collagen fibrils is composed of a hybrid of collagen types V and XI molecule. Surrounding the core is a specialized form of type II collagen, which constitutes 75% of vitreous collagen. N-propeptide extensions of these two components are found on the surface of vitreous collagen fibrils and may mediate interactions with other extracellular components of vitreous. However, the presence of type IX collagen on the surface of vitreous collagen fibrils probably plays a significant role in this regard.

TYPE II COLLAGEN.

Type II collagen, a homotrimer composed of three identical α chains designated as [α1 (II)]3, comprises 75% of the total collagen content in vitreous. When first synthesized as a procollagen and secreted into the extracellular space, type II collagen is highly soluble. The activity of N-proteinase and C-proteinase enzymes reduces the solubility and enables type II collagen molecules to cross-link covalently in a quarter-staggered array. Within this array are likely to be N-propeptides, which probably extend outward from the surface of the forming fibril.35 This may influence the interaction of the collagen fibril with other components of the extracellular matrix. Recent studies36 combined immunolocalization with Western blot analysis of macromolecules extracted from bovine vitreous collagen fibrils and found that the pN-type IIA procollagen is located on the surface of the vitreous collagen fibril. The finding37 that type IIA procollagen propeptides specifically bind transforming growth factor (TGF)-β1 and bone morphogenic protein-2 (BMP-2) supports the concept that in certain circumstances, such growth factors and cytokines interact with vitreous fibrils to promote the cell migration and proliferation that result in proliferative diabetic retinopathy and proliferative vitreoretinopathy.

TYPE IX COLLAGEN.

Type IX collagen is a heterotrimer which is disulfide-bonded with an [α 1 (IX) α 2 (IX) α 3 (IX)] configuration. This heterotrimer is orientated regularly along the surfaces of the major collagen fibrils in a D periodic distribution, where it is cross-linked onto the fibril surface. Type IX is not a typical collagen but is a member of the fibrillar-associated collagens with interrupted triple helixes (FACIT) group of collagens. It contains collagenous regions described as COL1, COL2, and COL3 interspersed between noncollagenous regions called NC1, NC2, NC3, and NC4.35,38 In vitreous, as opposed to cartilage, the NC4 domain is small and, therefore, not highly charged and not likely to exhibit extensive interaction with other extracellular matrix components.39 In vitreous, type IX collagen always contains a chondroitin sulfate glycosaminoglycan chain,35,38 which is linked covalently to the α 2 (IX) chain at the NC3 domain; this enables the molecule to assume a proteoglycan form. Electron microscopy of vitreous stained with cationic dyes enables visualization of the chondroitin sulfate chains of type IX collagen. In some of these studies, sulfated glycosaminoglycans are found distributed regularly along the surface of vitreous collagen fibrils,40 and often bridge between neighboring collagen fibrils. Duplexing of glycosaminoglycan chains from adjacent collagen fibrils may result in a ladderlike configuration.41 However, this hypothesis of vitreous organization has yet to be confirmed.

TYPE V/XI COLLAGEN.

Ten percent of vitreous collagen is a hybrid V/XI collagen, which is believed to comprise the central core of the major collagen fibrils of vitreous.42 Type V/XI is a heterotrimer that contains α 1 (XI) and α 2 (V) in two chains, while the nature of the third chain is presently not known. Along with type II collagen, type V/XI is a fibril-forming collagen. While the interaction of the fibril with other extracellular matrix components is probably influenced by a retained N-propeptide which protrudes from the surface of the fibril in cartilage,42 it is not known whether this is the case in vitreous.

TYPE VI COLLAGEN.

Although there are only small amounts of type VI collagen in vitreous, the ability of this molecule to bind both type II collagen and HA suggests that it could be important in organizing and maintaining the supramolecular structure of vitreous gel. Aggregates of type VI collagen have been found in the cortical vitreous of a patient with macular hole,43 but it is not clear whether this plays any role at all in the pathogenesis of this condition.

GLYCOSAMINOGLYCANS

GAGs are polysaccharides of repeating disaccharide units, each consisting of hexosamine (usually N-acetyl glucosamine or N-acetyl galactosamine) glycosidically-linked to either uronic (glucuronic or iduronic) acid or galactose. The nature of the predominant repeating unit is characteristic for each glycosaminoglycan and the relative amount, molecular size, and type of glycosaminoglycan are said to be tissue-specific.44 GAGs do not normally occur as free polymers in vivo but are covalently linked to a protein core, the ensemble called a proteoglycan. A sulfated group is attached to oxygen or nitrogen in all GAGs except HA. Balazs45 first documented the presence of sulfated galactosamine-containing GAGs in bovine vitreous (less than 5% of total vitreous glycosaminoglycans), and others46,47 identified these as chondroitin-4-sulfate and undersulfated heparan sulfate. Studies in the rabbit48 found a total vitreous glycosaminoglycans content of 58 ng with 13% chondroitin sulfate and 0.5% heparan sulfate.

HYALURONAN.

Although HA is present throughout the body, it was first isolated from bovine vitreous by Meyer and Palmer in 1934.49 In humans, HA first appears after birth and then becomes the major vitreous GAG. It has been proposed that hyalocytes synthesize HA, but other plausible candidates are the ciliary body and retinal Müller cells. Whereas the synthesis of HA seems to continue at a constant rate in the adult without extracellular degradation, HA levels are in a steady-state because the molecule escapes via the anterior segment of the eye.50 Laurent and Fraser50 showed that the passage of HA from the vitreous to the anterior segment is strongly molecular-weight–dependent, indicating a diffusion-controlled process. In contrast, disappearance of HA from the anterior chamber is independent of molecular weight, suggesting that this is controlled by bulk flow.

HA is a long, unbranched polymer of repeating glucuronic acid β-1,3-N,N-acetylglucosamine disaccharide moieties linked by β-1–4 bonds. It is a linear, left-handed, threefold helix51 with a rise per disaccharide on the helix axis of 0.98 nm (Fig. 3).52 Rotary shadowing electron microscopy of human and bovine vitreous detected lateral aggregates of HA that form an anastomosing three-dimensional network.52 This periodicity, however, can vary depending on whether the helix is in a compressed or extended configuration.53 Changes in the degree of extension of HA could be important in the role vitreous plays in retinal disease. Indeed, the volume of the unhydrated HA molecule is approximately 0.66 cm3/g, whereas the hydrated specific volume is 2,000 to 3,000 cm3/g.53 Thus, the degree of hydration has a significant influence on the size and configuration of the HA molecular network. Although there is no definitive evidence that adjacent HA chains bind to one another, Brewton and Mayne54 first proposed such an arrangement. Recent rotary shadowing electron microscopy studies55 of bovine and human vitreous found lateral aggregates of HA that formed three-dimensional latticelike networks. HA also interacts with the surrounding mobile ions and can undergo changes in its conformation that are induced by changes in the surrounding ionic milieu.56 A decrease in surrounding ionic strength can cause the anionic charges on the polysaccharide backbone to repel one another, resulting in an extended configuration of the macromolecule. An increase can cause contraction of the molecule and, in turn, the entire vitreous body. As a result of HA's entanglement and immobilization within the vitreous collagen fibril matrix, this mechanical force can be transmitted by collagen fibrils to the retina, optic disc, and other structures, such as neovascular complexes. In this way, changes in the ionic milieu of vitreous may be converted into mechanical energy via extension or contraction of the HA macromolecule. This can be important in certain pathologic conditions that feature fluctuations in ionic balance and hydration, such as diabetes.57

Fig. 3. Schematic diagram of hyaluronan (HA) molecule (B). A: The left-handed threefold helix is viewed perpendicular to the helix axis and in the center along the helix axis. (From Swann DA. Chemistry and biology of the vitreous. Int Rev Exp Pathol 22:1, 1980). C: Possible packing arrangements for HA molecules viewed along the axis of the helix. ( B and C From Sheehan JK, Atkins EDT, Nieduszynski IA. X-ray diffraction studies on the connective tissue polysaccharides: Two dimensional packing scheme for threefold hyaluronic chains. J Mol Biol 91:153, 1975)

The sodium salt of HA has a molecular weight of 3 to 4.5 × 106 in normal human vitreous.45 Laurent and Granath58 used gel chromatography and found the average molecular weight of rabbit vitreous to be 2 to 3 × 106 and of bovine vitreous to be 0.5 to 0.8 × 106. In these studies there were age-related differences in the bovine vitreous, in which HA molecular weight varied from 3 × 106 in the newborn calf to 0.5 × 106 in old cattle. Furthermore, there may be several species of HA within vitreous that have polysaccharide chains of different lengths59 with a variable distribution in different topographic regions within the vitreous body.60

An important property of HA is that of steric exclusion.61 With its flexible linear chains and random coil conformation, HA occupies a large volume and resists the penetration of this volume by other molecules to a degree dependent upon their size and shape.53 This excluded volume effect can influence equilibria between different conformational states of macromolecules and alter the compactness or extension of these molecules. Steric exclusion also causes an excess of osmotic pressure when such compounds as albumin and HA are mixed, because the resultant osmotic pressure is greater than the sum of the two components. This could be important in diabetes, in which vascular incompetence can increase vitreous concentrations of serum proteins such as albumin. These osmotic effects can induce contraction and expansion of the vitreous body similar to the foregoing description of hydration and ion-induced changes within vitreous, and can similarly play an important role in neovascularization and diabetic vitreous hemorrhage.57 An increase in the chemical activity of a compound because of steric exclusion can cause its precipitation if the solubility limit is reached. This could be important in the formation of pathologic vitreous opacities, such as asteroid hyalosis and amyloidosis (see below).

CHONDROITIN SULFATE.

Vitreous contains two types of chondroitin sulfate proteoglycans. The minor type is actually type IX collagen, which is described above. The majority of vitreous chondroitin sulfate, however, is in the form of versican.55 This large proteoglycans (molecular weight [MW] = 380 kd) has a globular N-terminal which binds HA via a 45-kd link protein. Thus, in human but not bovine vitreous, versican is believed to form complexes with HA as well as microfibrillar proteins, such as fibulin-1 and fibullin-2.62 The concentration of versican in the human vitreous is 0.06 mg/mL of vitreous gel, representing approximately 5% of the total protein content. Each versican molecule has 5 to 7 chondroitin sulfate side chains (MW = 37 kd each), which form aggregates with vitreous HA. It also binds lectins via the C-terminal region. Binding by both the C- and N-terminal domains is believed to be the manner by which versican stabilizes the macromolecular structures and organization of vitreous.63

HEPARAN SULFATE.

This sulfated proteoglycans is normally found in basement membranes and on cell surfaces throughout the body. It was first detected in bovine vitreous in 1977,64 and in chick vitreous (as agrin) in 1995.65 However, it is not clear whether heparan sulfate is a true component of vitreous or a contaminant from adjacent basement membranes, such as the internal limiting lamina of the retina.64 As pointed out by Bishop62 this may also be the case for nodogen-1, the aforementioned fibulins, and fibronectin.

Noncollagenous Structural Proteins

FIBRILLINS.

Fibrillin-containing microfibrils are more abundant in vitreous than the type VI collagen microfibrils described above. They are the found in vitreous gel as well as in the zonules of the lens. This fact explains why in Marfan's syndrome the defects in the gene encoding fibrillin-1 (FBN1 on chromosome 15q21) result in both ectopia lentis and vitreous liquefaction.62 The latter probably plays a role in the frequent occurrence of rhegmatogenous retinal detachment in these patients.

OPTICIN.

The major noncollagenous protein of vitreous is a leucine-rich repeat (LRR) protein, which is bound to the surface of the heterotypic collagen fibrils, known as opticin.67–69 Formerly called vitrican, opticin is believed to be important in collagen fibril assembly and in preventing the aggregation of adjacent collagen fibrils into bundles. Thus, a breakdown in this property or activity may play a role in age-related vitreous degeneration (see below).70

VIT1.

Another novel vitreous protein is VIT1, a collagen-binding macromolecule.71 Because of its propensity to bind collagen, this highly basic protein may play an important role in maintaining vitreous gel structure.

Glycoproteins

Glycoproteins are macromolecules of the ground substance existing as heteropolysaccharides rather than homogeneous repeating disaccharide units, such as found in GAGs. They are mostly proteinaceous and contain only a minor carbohydrate component (5% to 10% by weight). According to Balazs,72 the most important difference between vitreous and serum proteins is the high content of glycoproteins in vitreous, because these constitute 20% of the total noncollagenous protein content of vitreous.

There are two types of vitreous glycoproteins: those found associated with collagen fibrils and those that freely diffuse in the interfibrillar space. Although some of the soluble glycoproteins enter vitreous from serum, many are believed to be specific to vitreous. Studies using the radiolabeled precursor 3H-fucose detected 14 fractions of labeled polypeptides.73 The same results were obtained using tritiated amino acids,74 suggesting that more than one component is synthesized within the eye, probably at the ciliary body. Rhodes and co-workers75 studied the incorporation of tritiated-fucose into rabbit vitreous and surrounding tissues, concluding that there is continuous renewal of the glycoproteins in and around the vitreous body. They suggested that this process could serve as an index of metabolic activity in normal and pathologic states. Hageman and Johnson76 documented the distribution of vitreous glycoproteins in several species, including man, and characterized these glycoproteins based on differential staining to various fluorescein isothiocyanate-conjugated lectins.

There is no clear understanding of the role of glycoproteins in vitreous. Through Western blotting techniques, an acidic glycoprotein has been identified that is unique to cartilage and vitreous.77 It is known as cartilage oligomeric matrix protein and has a characteristic five-armed structure. The function of this molecule in vitreous is unknown. Nevertheless, it represents more evidence linking vitreous with joints and may explain why both structures are often simultaneously involved in certain syndromes. Recent findings, reviewed by Bishop et al,78 have led to the concept that glycoproteins and other connective tissue macromolecules, as well as basement membrane macromolecules that are synthesized by the ciliary body are important in the biosynthesis of vitreous as well as the internal limiting lamina of the retina. The former has significant implications for development of the eye as well.

Miscellaneous Components

ANTIOXIDANTS.

High performance liquid chromatography measurements of vitreous ascorbic acid concentration showed values approximating 0.43 mmol/kg, which represent a vitreous to plasma ratio of 9:1.79 Vitreous levels this much higher than plasma concentrations are believed to be caused by active transport by the ciliary body epithelium. Such high vitreous concentrations of ascorbic acid may relate to the ability of this compound to absorb ultraviolet light80 and serve as a free-radical scavenger.81 This would protect the retina and lens from the untoward effects of metabolic and light-induced singlet oxygen generation. Indeed, a study in an animal model showed that the light-induced free radicals induced vitreous liquefaction.82 Ascorbic acid may also protect against oxidative damage due to inflammation.83 Vitreous levels of serum-derived ceruloplasmin and transferrin also increase after experimental inflammation,84 presumably to provide additional antioxidant protection.

SUPRAMOLECULAR ORGANIZATION

As described by Mayne,85 vitreous is organized as a dilute meshwork of collagen fibrils interspersed with extensive arrays of long HA molecules. The collagen fibrils provide a scaffold-like structure that is inflated by the hydrophilic HA. If collagen is removed, the remaining HA forms a viscous solution; if HA is removed, the gel shrinks56 but is not destroyed. Early physiologic observations86 suggested the existence of an interaction between HA and collagen which stabilizes collagen. Gelman and associates87 have shown that several GAGs, including HA, stabilized the helical structure of collagen, so that the melting temperature of collagen was increased from 38° C to 46°C. Hyaluronidase decreased the thermal stability of cartilage collagen and the addition of chondroitin-6-sulfate to hyaluronidase-treated collagen in turn increased the thermal stability. Snowden88 demonstrated that the shrinkage temperature of tendon collagen is dependent linearly on the concentration of chondroitin sulfate in the surrounding fluid. Biomechanical studies89 of vitreous viscoelasticity suggested that collagen similarly affects HA. The exact nature of the interaction between vitreous macromolecules that results in the aforementioned phenomena has yet to be determined, although there are several possibilities: interactions on a chemical or electrostatic level, or via an intermediary molecule. Concerning a chemical interaction, Balazs45 hypothesized that the hydroxylysine amino acids of collagen mediate polysaccharide binding to the collagen chain via O-glycosidic linkages. These polar amino acids are present in clusters along the collagen molecule, which may explain why proteoglycans attach to collagen in a periodic pattern.40

Mathews90 observed the reversible formation of complexes of an electrostatic nature between solubilized collagen and various GAG. He suggested that collagen-HA interaction occurs on a physicochemical rather than chemical level. Podrazky and co-workers91 demonstrated that the sulfate group of a GAG was largely responsible for interactions with the guanidine groups of arginine and ε-amino groups of lysine in collagen. When these highly charged groups on the collagen fibrils are bound by advanced glycation end products, such as occurs in diabetes57 and aging,92 destruction of normal vitreous structure results, leading ultimately to diabetic,93 age-related,94,95 structural changes. Others91 demonstrated that the sulfate group of a GAG was largely responsible for such interactions with the guanidino groups of arginine and epsilon-amino groups of lysine in collagen. Comper and Laurent56 proposed that in vitreous, electrostatic binding occurs between negatively charged polysaccharides and positively charged proteins. These authors extensively reviewed the existing data characterizing the electrostatic properties of glycosaminoglycans and the factors influencing their electrostatic interactions with different ions and molecules.

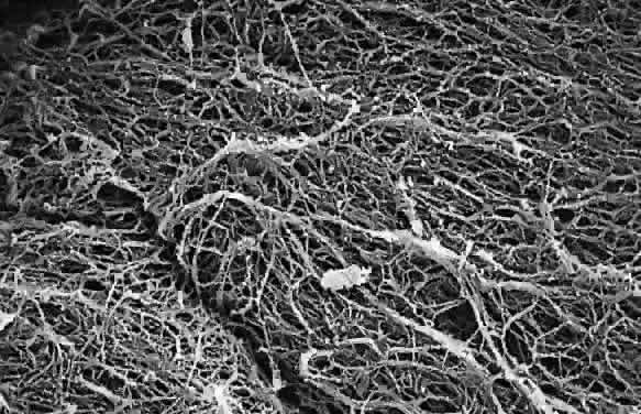
HA-collagen interaction in vitreous may be mediated by a third molecule.96 Studies by Hong and Davison97 have identified a type II procollagen in the soluble fraction of rabbit vitreous and raised the question of a possible role for this molecule in mediating collagen-HA interaction. Measurements of the dynamic viscoelasticity of bovine vitreous showed that the shapes of the master relaxation curves of the vitreous body are similar to those of lightly cross-linked polymer systems.98 Notably, the behavior of these relaxation curves is different from those observed in solutions of HA and collagen. This suggests that the physicochemical properties of vitreous in vivo are not simply the result of a combination of these two molecular elements, but that HA and collagen form a lightly cross-linked polymer system. Swann and colleagues99 have demonstrated large amounts of noncollagenous protein associated with collagen in the insoluble residue fraction of vitreous. Asakura40 studied bovine vitreous by ruthenium red staining and demonstrated the presence of amorphous structures on collagen fibrils at 55- to 60-nm intervals along the fibrils that are believed to be HA (Fig. 4). Filaments connect the collagen fibrils and these amorphous masses. These filaments may represent link structures that are either proteoglycans or a glycoprotein, such as hyaluronectin.100 In cartilage, link glycoproteins have been identified that interact with proteoglycans.101 Supramolecular complexes of these glycoproteins are thought to occupy the interfibrillar spaces in cartilage and may have a similar role in vitreous. In the cornea, chondroitin sulfate, and keratan sulfate bridge the interfibrillar spaces and keep the fibrils at specified distances to achieve transparency.102 This is clearly important in vitreous as well, where HA could bind to collagen fibrils by such linkage molecules, most probably in a repeating order. This type of arrangement would bind collagen fibrils to the protein core of a proteoglycans, such as chondroitin sulfate, as described by Asakura,40 keratan sulfate, or both, as in the cornea, and would organize the network in a manner to keep the vitreous collagen fibrils apart by at least one wavelength of incident light, the critical distance needed to minimize light scattering. Although such supramolecular organization to maintain vitreous transparency was proposed41 more than a decade ago, no evidence has yet been generated.

Fig. 4. Ultrastructure of vitreous collagen-hyaluronan (HA) interaction. The specimen was fixed in glutaraldehyde/paraformaldehyde and stained with ruthenium red. The collagen fibrils (C) are coated with an amorphous material (A) that is believed to be HA. The amorphous material may connect to the collagen fibril by another GAG, possibly chondroitin sulfate (see inset, lower right). Interconnecting filaments (IF) appear to bridge between collagen fibrils, inserting or attaching at sites of hyaluronan adhesion to the collagen fibrils. Bar = 0.1 μm. (From Asakura A. Histochemistry of hyaluronic acid of the bovine vitreous body as studied by electron microscopy. Acta Soc Ophthalmol Jpn 89:179, 1985, with permission)

Bishop62 has proposed that to understand how vitreous gel is organized and stabilized requires an understanding of what prevents collagen fibrils from aggregating and by what means the collagen fibrils are connected to maintain a stable gel structure. Scott and colleagues103 have proposed that the chondroitin sulfate chains of type IX collagen bridge between adjacent collagen fibrils in a ladderlike configuration spacing them apart. This arrangement might account for vitreous transparency, because keeping vitreous collagen fibrils separated by at least one wavelength of incident light would minimize light scattering, allowing unhindered transmission of light to the retina for photoreception. However, depolymerizing with chondroitinases does not destroy the gel, suggesting that chondroitin sulfate side chains are not essential for vitreous collagen spacing. Complexed with HA, however, the chondroitin sulfate side chains might space apart the collagen fibrils sufficiently.41,103 Yet, Bishop believes that this form of collagen-HA interaction would only be very weak. Instead, he proposes that the leucine-rich repeat (LRR) protein opticin is the predominant structural protein in short-range spacing of collagen fibrils. Concerning long-range spacing, Scott41 and Mayne et al104 have claimed that HA plays a pivotal role in stabilizing the vitreous gel via this mechanism. However, studies105 using HA lyase to digest vitreous HA demonstrated that the gel structure was not destroyed, suggesting that HA is not essential for the maintenance of vitreous gel stability and leading to the proposal that collagen alone is responsible for the gel state of vitreous.

Several types of collagen-HA interactions may occur in different circumstances. Further investigation must be undertaken to identify the nature of collagen-HA interaction in vitreous. This question is important for an understanding of normal vitreous anatomy and physiology but also as a means by which to understand the biochemical basis for age- and disease-related vitreous liquefaction and posterior vitreous detachment (PVD).

SPECIES VARIATIONS

Vitreous of all species is composed of essentially the same extracellular matrix elements, organized to fill the center of the eye with a clear viscous substance surrounded by a dense cortex that is attached to the basal laminae of surrounding cells. There are, however, species variations in the relative concentrations of the major structural components (i.e., HA and collagen). These differences explain variations in the rheologic (gel–liquid) state of vitreous in different species. It should be emphasized that there are also age-related differences in higher order species. Consequently, when selecting an appropriate animal with which to model human diseases for scientific investigation, consideration must be given to these species variations and age-related differences.

Significant species differences exist for HA, which is present in vitreous of all species studied except fish. In fish, the posterior and peripheral vitreous adjacent to the retina is a gel. The anterior and central vitreous is liquid. Because there is no anterior vitreous cortex, this liquid vitreous is continuous with the posterior and anterior chambers, thereby surrounding the lens. In place of HA, the fish vitreous contains icthyosan, a large (MW = 2 to 4 × 106) nonsulfated polysaccharide consisting of HA and a chondroitin chain held together by noncolvent bonds.106 HA concentration in human vitreous (approximately 192 μg/mL) is about the same as in the rhesus monkey, which is less than in the owl monkey (291.8 ± 18.8 μg/mL) and bovine (469 ± 44.0 μg/mL) vitreous.107,108 The molecular weight of rhesus monkey HA is 2.9 ± 0.06 × 106,108 which is significantly less than in humans (4.6 × 106; p > 0.001).107 In pigs, both collagen and HA are found in half the concentration as in humans.

Collagen concentration in vitreous gel is estimated to be approximately 60 μg/mL in bovine eyes and approximately 300 μg/mL in human eyes.109 Snowden and Swann110 demonstrated that collagen fibrils in rabbit vitreous measure 7 nm in diameter, whereas bovine and canine vitreous collagen fibrils are between 10 and 13 nm in diameter. Human vitreous collagen fibrils are 10 to 25 nm in diameter.111 Although the baby owl monkey vitreous is a gel with a network of collagen-like fibrils that have a diameter of 11.3 nm, the adult owl monkey has no collagen and vitreous is a viscous fluid that contains mostly high molecular weight HA.112

Back to Top
VITREOUS ANATOMY

EMBRYOLOGY

Interfaces

During invagination of the optic vesicle, the basal lamina of the surface ectoderm enters the invagination along with the ectodermal cells that have become specialized neural ectoderm.113The ectodermal cells that are on the surface of the inner with the outer basal lamina give rise to retinal pigment epithelium attached to Bruch's membrane, while the invaginating neural ectoderm and its basal lamina give rise to the neural retinal cells adherent to the internal limiting lamina (ILL). Thus, the basal laminae of both the retina and RPE have the same embryologic origin. Figure 5 demonstrates the continuity of these two basal laminae. It is important to appreciate that these basal laminae serve as interfaces between adjacent ocular structures. In the case of the ILL, this basal lamina is the interface between the retina and vitreous. Bruch's membrane separates the RPE and retina from the choroid (neural crest origin).

Fig. 5. Immunohistochemistry of posterior interfaces in the human embryo. This specimen, taken at about the 9-week stage of embryogenesis, was stained with an anti-ABA fluorescent marker that binds to extracellular components of the basal laminae. The continuity of the basal laminae destined to become the internal limiting lamina (ILL) and Bruch's membrane is evident. (Courtesy of Greg Hageman, PhD)

These interfaces play an important role in a significant biologic event that underlies one of the most devastating causes of blindness in humans: neovascularization. At the ILL interface between vitreous and retina, neovascularization in advanced diabetic retinopathy and other ischemic retinopathies, including retinopathy of prematurity (see below), is a significant cause of vision loss. At the level of Bruch's membrane, an interface of identical embryologic origin as the ILL, neovascularization in age-related macular degeneration is a significant and growing problem. Both of these conditions result from vascular endothelial cell migration and proliferation onto and into interfaces of the same embryologic origin: the basal lamina of the surface ectoderm. Improving our understanding of endothelial cell interaction with these interfaces should provide new insights into therapy and prevention of these important disorders.

Vitreous Body

Early in embryogenesis, the vitreous body is filled with blood vessels known as the vasa hyaloidea propia. This network of vessels arises from the hyaloid artery, which is directly connected to the central retinal artery at the optic disc. The vessels branch many times within the vitreous body and anastomose anteriorly with a network of vessels surrounding the lens, the tunica vasculosa lentis. This embryonic vascular system attains its maximum prominence during the ninth week of gestation or 40-mm stage.114 Atrophy of the vessels begins posteriorly with dropout of the vasa hyaloidea propria, followed by the tunica vasculosa lentis. At the 240-mm stage (seventh month) in the human, blood flow in the hyaloid artery ceases.115 Regression of the vessel itself begins with glycogen and lipid deposition in the endothelial cells and pericytes of the hyaloid vessels.115 Endothelial cell processes then fill the lumen and macrophages form a plug that occludes the vessel. The cells in the vessel wall then undergo necrosis and are phagocytized by mononuclear phagocytes.116 Gloor117 claims that macrophages are not involved in vessel regression within the embryonic vitreous but that autolytic vacuoles form in the cells of the vessel walls, perhaps in response to hyperoxia. Interestingly, the sequence of cell disappearance from the primary vitreous begins with endothelial and smooth muscle cells of the vessel walls, followed by adventitial fibroblasts and lastly phagocytes,118 consistent with a gradient of decreasing oxygen tension.

It is not known precisely what stimulates regression of the hyaloid vascular system, but studies have identified a protein native to the vitreous that inhibits angiogenesis in various experimental models.119–121 Teleologically, such activity seems necessary if a transparent tissue is to inhibit cell migration and proliferation and minimize light scattering to maintain transparency. This may also be the mechanism that induces regression of the vasa hyaloidea propia. Thus, activation of this protein and its effect on the primary vitreous may be responsible for the regression of the embryonic hyaloid vascular system as well as the inhibition of pathologic neovascularization in the adult. Hyaloid vessel regression may also result from a shift in the balance between growth factors promoting new vessels, such as vascular endothelial growth factor (VEGF)-A, and those inducing regression, such as placental growth factor.122

Recent studies123,124have suggested that vasa hyaoidea propria and the tunica vasculosa lentis regress via apoptosis. Mitchell and colleagues123 pointed out that the first event in hyaloid vasculature regression is endothelial cell apoptosis and propose that lens development separates the fetal vasculature from VEGF-producing cells, decreasing the levels of this survival factor for vascular endothelium, inducing apoptosis. After endothelial cell apoptosis, there is loss of capillary integrity, leakage of erythrocytes into the vitreous, and phagocytosis of apoptotic endothelium by macrophages, which were felt to be important in this process. Subsequent studies by a different group125 confirmed the importance of macrophages in promoting regression of the fetal vitreous vasculature and further characterized these macrophages as hyalocytes. Meeson and colleagues126 proposed that there are actually two forms of apoptosis that are important in regression of the fetal vitreous vasculature. The first (initiating apoptosis) results from macrophage induction of apoptosis in a single endothelial cell of an otherwise healthy capillary segment with normal blood flow. The isolated dying endothelial cells project into the capillary lumen and interfere with blood flow. This stimulates synchronous apoptosis of downstream endothelial cells (secondary apoptosis) and ultimately obliteration of the vasculature. Removal of the apoptotic vessels is achieved by hyalocytes.

A better understanding of this phenomenon may provide insights into new ways to induce the regression of pathologic angiogenesis or inhibit neovascularization in such conditions as proliferative diabetic retinopathy and exudative age-related macular degeneration (AMD). Indeed, the recently developed synthetic VEGF inhibitors seem to be of limited usefulness in treating pathologic neovascularization in exudative AMD and this or a superior inhibitory mechanism may prove to be useful in other proliferative retinopathies, such as retinopathy of prematurity.

Retinopathy of Prematurity

The pathogenesis of retinopathy of prematurity (ROP) begins with birth prior to complete maturation and development of the peripheral retina. Postnatal oxygen administration triggers retinal vasoconstriction with endothelial cell necrosis and vaso-obliteration in response to hyperoxia.127–129 After the discontinuation of supplemental oxygen, arterial pO2 levels return to normal and the obliterated (or at best, highly constricted) vessels are not adequately reperfused, causing the peripheral retina they subserve to become ischemic and release neovascular growth factors. An alternative hypothesis of pathogenesis proposes that spindle cells in the immature peripheral retina are stimulated by excessive amounts of reactive oxygen species, whether related to oxygen therapy and subsequent relative hypoxia or other metabolic circumstances, to release angiogenic growth factors.130 In either case, the result is migration and proliferation of capillary endothelial cells that form new blood vessels at the posterior ridge of tissue between the vascularized and avascular retina. This results in neovascularization arising from the ridge that demarcates the developed posterior retina from the immature peripheral retina (Fig. 6). The new vessels grow into the vitreous body, onto and into the plane that demarcates the interface between the gel vitreous posteriorly (overlying developed retina) and the liquid vitreous anteriorly (overlying immature retina). While somewhat similar to neovascularization in diabetic retinopathy,131 the new vessels in ROP grow farther anteriorly and with greater exuberance. This is perhaps because of the participation of cells of the ocular fetal vasculature, whose apoptosis has been retarded or arrested by the presence of high levels of VEGF.132

Fig. 6. Vitreous pathology in retinopathy of prematurity. The lack of peripheral retinal development, most prominent temporally, results in abnormal secondary vitreous development in this region. Thus, there is liquid vitreous rather than gel in the peripheral fundus. The interface between the normal gel vitreous posteriorly and the liquid vitreous anteriorly causes instability with traction upon the ridge of cells from which new vessels proliferate. The proliferation and membrane formation follows the interface plane between the gel and liquid vitreous compartments, oriented toward the edge of the lens. Traction at the ridge stimulates further vessel proliferation, traction upon the peripheral retina, and ultimately hemorrhage and/or retinal detachment. *, lens; G, gel vitreous (posterior); L, liquid vitreous (anterior). (Courtesy of Maurice Landers, MD)

There are no clearly identified vitreous changes during stages I and II of acute ROP, although this may simply be due to our present inability to detect such abnormalities.133 Indeed, the abundance of reactive oxygen species in the retina and vitreous of premature infants could induce widespread vitreous liquefaction.82 There are also likely to be localized areas of liquid vitreous, particularly at the periphery. At surgery for stage IV-A ROP with retinal detachment, there is a trough in the periphery.134 This structure is most likely the consequence of underlying immature retina in the periphery, with consequent lack of typical gel vitreous synthesis, normally a Müller cell function, overlying the immature retina. The liquid vitreous trough is probably present early in the natural history of disease but goes undetected by present vitreous imaging techniques.133 Such disruption of normal vitreous composition and structure probably alters a number of physiologic processes within the vitreous, including the ability of vitreous to inhibit cellular and vascular invasion.135 Furthermore, the interface between posterior gel vitreous and peripheral liquid vitreous at the ridge causes vitreous traction to be exerted at the retinal ridge.

In stage III ROP, new blood vessels extend from the inner retina into the vitreous cortex. The cortex, overlying the rear guard of differentiated capillary endothelial cells, becomes opaque and contains linear, fibrous structures adjacent to a large pocket of liquid vitreous.136 In advancing from stage III to stage IV, the neovascular tissue arising from the rear guard grows through the vitreous body toward Wiegert's ligament on the posterior lens capsule.136 This configuration of neovascularization is probably the result of cell migration and proliferation along the walls of the future Cloquet's canal or the tractus hyaloideus of Eisner. Cells of the primary vitreous likely contribute to the formation of the dense central vitreous stalk and retrolental membrane seen in the cicatricial stage, because these cells could also undergo migratory and proliferative responses to intraocular angiogenic stimuli.

Familial Exudative Vitreoretinopathy

This autosomal (long arm of chromosome 11) dominant (sporadic cases of X-linked recessive disease have been reported) vitreoretinopathy features inner retinal non-perfusion, neovascularization and retinal detachment. The histologic vascular changes are indistinguishable from those of ROP, however, patients with familial exudative vitreoretinopathy (FEVR) have no history of prematurity or neonatal oxygen exposure.137,138 Mild forms of the disease are characterized by areas of peripheral nonperfusion, cystoid degeneration, and condensation of the temporal vitreous base and vitreous membranes. Moderate forms involve vitreous base traction, flat or elevated neovascularization, and retinal or subretinal exudates. The severe forms of FEVR, which usually cause vision loss, are similar to cicatricial ROP, featuring iris atrophy, neovascular glaucoma, cataracts, falciform retinal folds, macular heterotopia, and retinal detachment.139,140 In a recent series141 of 28 patients who underwent vitreoretinal surgery, 25 had rhegmatogenous and 2 had traction retinal detachments. Vitreoretinal adhesion was so strong in the avascular peripheral retina that iatrogenic retinal breaks occurred in 22 of 28 eyes during surgery. It is quite plausible that in similar fashion to ROP, FEVR has poorly developed vitreous overlying the nonperfused, and therefore immature, peripheral retina. The instability between the well-developed posterior gel vitreous and the liquefied peripheral anterior vitreous (Fig. 6) probably exerts traction upon the retina inducing the rhegmatogenous and tractional detachments.

POSTNATAL DEVELOPMENT

Vitreous Size

Vitreous undergoes significant growth during childhood. A study of 926 children found that the average length of the newborn vitreous is 10.5 mm in males and 10.2 mm in females.142 Immediate postnatal development was studied in the rhesus monkey where axial length was found to increase most rapidly during the first 5 to 7 months, increase at a slower pace during the next 6 months, and continue to increase slowly until 4 years of age. This purportedly corresponds closely to axial elongation in humans.143 Fledelius144 used ultrasound to measure ocular dimensions in adolescents and found that in the absence of changes in refractive status, there was a mean vitreous elongation of 0.35 mm from age 10 to 18 years. By the age of 13 years, the axial length of the human vitreous body increases to 16.1 mm in the male and 15.6 mm in the female.144 Derangements in ocular growth that result in ametropia are associated with abnormal vitreous dimensions. In children born prematurely (birth weight less than 2000 g), axial lengths of the eye and vitreous at age 10 years are less than normal, a deficiency that is also present at the age of 18 years, suggesting that prematurity does not simply induce a temporary delay of eye growth but a permanent deficit.144

Vitreous Biochemistry

Both collagen and HA are synthesized during development to adulthood. The synthesis of collagen only keeps pace with increasing vitreous volume during growth. Thus, the overall concentration of collagen within vitreous is unchanged during this period (Fig. 7). Total collagen content in the gel vitreous decreases during the first few years of life and then remains at approximately 0.15 mg until the third decade. Because collagen concentration does not appreciably increase during this time when the size of the vitreous increases, the density of collagen fibrils decreases. This may weaken the collagen network and destabilize the gel. Because there is net synthesis of HA during this time (Fig. 8), the thinning collagen network is stabilized (see above).

Fig. 7. Age-related changes in human vitreous collagen. Collagen content (right ordinate) is indicated by solid dots (means) and darkly hatched boxes (height = standard error). Collagen concentration (left ordinate) is indicated by asterisks (means) and lightly hatched boxes (height = standard error). There are no significant changes in vitreous collagen content after the age of 20 years, consistent with the long half-life of this molecule. Vitreous collagen concentration decreases during the first decade of life because there is no synthesis of new collagen during this period of eye growth and increasing vitreous volume. Collagen concentration in the gel vitreous increases after the age of 40 to 50 years, however. This is due to the decrease in gel vitreous volume that occurs during this time, concentrating the remaining collagen in an ever-decreasing volume of gel vitreous. The increase in gel vitreous collagen concentration between the ages of 50 to 60 and 80 to 90 is statistically significant (p < 0.05). (From Balazs EA, Denlinger JL. Aging changes in the vitreous. In Sekular R, Kline D, Dismukes N, eds. Aging and Human Visual Function. New York: Alan R. Liss, 1982:45, with permission)

Fig. 8. Age-related changes in human vitreous hyaluronan (HA) concentration. The dots represent the means of the samples. The vertical height of the boxes represents the standard error of the means. The horizontal width of the boxes represents the age ranges in the sample group. Between the ages of 5 and 10 years, the HA concentration is about the same (0.1 mg/mL) in both gel and liquid vitreous. A: Concentration of HA in gel vitreous. There is a fourfold increase in the concentration of HA during the first three decades of life. Considering that this is also a period of active growth of the eye and substantial increase in vitreous volume, there must necessarily be prolific synthesis of HA to increase concentration so dramatically. After the age of 20 years, HA concentrations in the gel vitreous are stable. Because this is a period of decreasing amounts of gel vitreous, there must be a net decrease in the HA content of the gel to result in no substantial changes in concentration. B: Concentration of HA in liquid vitreous. There are no data points for the first 4 years because there is no measurable liquid vitreous during this time. From the ages of 5 to 50 or 60 years, there is a 50% increase in the concentration of HA in liquid vitreous. Thereafter, the HA concentration in liquid vitreous increases substantially. The magnitude of this HA accumulation in the liquid compartment of the corpus vitreum is even more impressive considering that this increase in HA concentration occurs during a time when the volume of liquid vitreous increases twofold. (From Balazs EA, Denlinger JL. Aging changes in the vitreous. In Aging and Human Visual Function. New York: Alan R. Liss, 1982:45, with permission)

Vitreous Body

When secondary vitreous formation occurs normally, the result is a clear, viscoelastic gel that fills the center of the eye (Fig. 1). Because of the intricate interaction between HA and collagen, the vitreous body is transparent centrally, with a dense periphery known as the vitreous cortex. At times there is a visible central structure, known as Cloquet's canal, which is the site of the former hyaloid artery (Figs. 9B and 10). The solid vitreous body of youth scatters little or no incident light, remaining relatively clear through the first few decades of life (Fig. 11) until changes occur with aging, initially on a molecular level and ultimately on a macroscopic structural level that affects the entire vitreous.

Fig. 9. Vitreous structure in the human embryo. These specimens from a 33-week-old human embryo have had the sclera, choroid, and retina dissected off the vitreous body, which is still attached to the anterior segment (bottoms of photos). A: The central vitreous is relatively clear, although there is more light scattering than in the postnatal period, most likely because of the relative paucity of vitreous HA at this stage of development. The vitreous cortex has considerable light scattering because of the high density of collagen fibrils in the peripheral shell of the vitreous body. B: Cloquet's canal is seen coursing in an antero-posterior orientation, arising from the posterior aspect of the lens and orienting toward the optic disc. (From Sebag J. Age-related changes in human vitreous structure. Graefes Arch Clin Exp Ophthalmol 225:89, 1987, with permission)

Fig. 10. Schematic diagram of classical vitreous anatomy. (From Schepens CL, Neetens A, eds. The Vitreous and Vitreoretional Interface. New York: Springer Verlag, 1987:20, with permission)

Fig. 11. Vitreous structure in childhood. A: Central vitreous structure in a 6-year-old child has hyalocytes in a dense vitreous cortex. No fibers are seen within the vitreous. B: Vitreous structure in an 8-year-old child shows the ciliary processes (arrow). The vitreous cortex and hyalocytes can be identified. Significant amounts of vitreous extrude through the premacular vitreous cortex into the retrocortical (preretinal) space, yet no fibers are present in the vitreous body.

Anomalous Vitreous Development

Proper vitreous biosynthesis during embryogenesis depends on normal retinal development because at least some of the structural components in vitreous are synthesized by retinal Müller cells.145 A clear gel, typical of normal secondary vitreous, appears only over normally developed retina. Thus, in developmental anomalies such as retinopathy of prematurity and familial exudative vitreoretinopathy, the vitreous overlying undeveloped retina in the peripheral fundus is a viscous liquid and not a gel. How far this finding extends posteriorly in retinopathy of prematurity depends upon the gestational age at birth. Because the retina develops anteriorly from the optic disc, the more immature the individual, the less developed the retina in the periphery, especially temporally, and the more vitreous structure is liquid and not gel. Inborn errors of type II collagen metabolism, such as in the arthro-ophthalmopathies, often feature very liquefied vitreous early in life and these individuals are at high risk of rhegmatogenous retinal detachment. It is also possible that the liquid vitreous observed in myopia is similarly caused by myopia-related abnormalities in the retina with secondary effects on the formation of gel vitreous.

ADULT VITREOUS STRUCTURE

Vitreous Body

In an emmetropic adult human eye, the vitreous body is about 16.5 mm in axial length, with a depression anteriorly just behind the lens known as the patellar fossa (Figs. 10 and 12G). The hyaloideocapsular ligament of Weiger is the annular region of vitreolenticular attachment that is 1 to 2 mm in width and 8 to 9 mm in diameter. Erggelet's or Berger's space is at the center of the hyaloideocapsular ligament. Arising from this space and coursing posteriorly through the central vitreous is the canal of Cloquet (see Figs. 9B, 10, and 12G), the former site of the hyaloid artery in the embryonic vitreous. What was previously the lumen of this artery is an area devoid of collagen fibrils, surrounded by multifenestrated sheaths that were previously the basal laminae of the hyaloid artery wall. Posteriorly, Cloquet's canal opens into a funnel-shaped region anterior to the optic disc known as the area of martegiani. A remnant of incomplete atrophy of the hyaloid artery may persist in this location and is called Bergmeister's papilla.

Fig. 12. Adult human vitreous morphology. All photographs were taken from human eyes after dissection of the sclera, choroid, and retina, with the vitreous still attached to the anterior segment. A slit-lamp beam shown from the side illuminated a plane through the specimens, and photographs were taken at a 90-degree angle to this plane, thereby maximizing the Tyndall effect. The anterior segment is below and the posterior pole is above in all photographs. A: Posterior vitreous in the left eye of a 52-year-old man. The corpus vitreus is enclosed by the vitreous cortex. There is a hole in the prepapillary (small hole to the left) and a dehiscence in the premacular vitreous cortex. Vitreous fibers are oriented toward the premacular vitreous cortex. B: Posterior vitreous in a 57-year-old man. A large bundle of prominent fibers is seen coursing anteroposteriorly to exit by the premacular dehiscence in the vitreous cortex. C: Same as (B) at higher magnification. D: Posterior vitreous in the right eye of a 53-year-old woman. There is extrusion of the central vitreous by the prepapillary hole (to the right) in the vitreous cortex and the premacular (left) vitreous cortex. Fibers course out into the retrocortical (preretinal) space. E: Same specimen as (D) at a different level of horizontal optical sectioning. A large fiber courses posteriorly from the central vitreous and inserts into the posterior vitreous cortex at the rim of the premacular dehiscence in the cortex. F: Same as (E) at higher magnification. The large fiber has a curvilinear appearance because of traction by the vitreous extruding out into the retrocortical space. Because of its attachment to the vitreous cortex, the fiber arcs back to its point of insertion. G: Anterior and central vitreous in a 33-year-old woman. The posterior aspect of the lens is seen below. Cloquet's canal is seen forming the retrolental space of Berger. H: Anterior and peripheral vitreous in a 57-year-old man. The specimen is tilted forward to show the posterior aspect of the lens and the peripheral anterior vitreous. Behind and to the right of the lens there are fibers coursing anteroposteriorly to insert into the vitreous base. Within the vitreous base, these fibers splay out to insert anterior and posterior to the ora serrata. (A, E, and F from Sebag J, Balazs EA. Pathogenesis of C.M.E.–an anatomic consideration of vitreo-retinal adhesions. Surv Ophthalmol 28:493, 1984, with permission; B and C from Sebag J, Balazs EA. Morphology and ultrastructure of human vitreous fibers. Invest Ophthalmol Vis Sci 30:187, 1989, with permission)

Within the adult human vitreous, there are fine parallel fibers coursing in an anteroposterior direction that are continuous and do not branch (Fig. 12B and 12C). The fibers arise from the vitreous base (see Fig. 12H), where they insert anterior and posterior to the ora serrata. Although there are various concepts of how the peripheral anterior vitreous fibers connect with the retina and pars plana,3,12 all espouse the precept that retinal tears result from vitreous traction on foci of strong adhesion at the vitreoretinal interface in these locations.146 The fibers in the anterior vitreous base (Fig. 13) probably also have an important role in the pathogenesis of anterior proliferative vitreoretinopathy (PVR); not only in being the substrate on which fibronectin and laminin are deposited to facilitate cells to migrate, proliferate, and form PVR membranes but also in transmitting the traction induced by these membranes to the peripheral retina (producing retinal detachment; RD), to the ciliary body (causing detachment and hypotony), and even to the iris (resulting in the retraction commonly seen in PVR). Fibers near the vitreous cortex course posteriorly in a plane circumferential to the vitreous cortex, whereas central fibers undulate in a configuration that parallels the course of Cloquet's canal.

Fig. 13. Anterior loop of the vitreous base. Central, anterior, and peripheral vitreous structure in a 76-year-old man. The posterior aspect of the lens is seen below (L). Fibers course antero posteriorly in the central vitreous and insert into the vitreous base. The anterior loop configuration at the vitreous base is seen on the right side of the specimen (arrow).

Ultrastructural studies have demonstrated that these fibers are composed of collagen fibrils organized into packed bundles of parallel fibrils (Fig. 14).8 The aggregation of collagen fibrils into visible fibers (Figs. 12 and 13) occurs when HA molecules no longer separate the collagen fibrils because of disease, such as the arthroophthalmopathies or diabetes, or aging. The areas adjacent to these large fibers have a low density of collagen and a relatively high concentration of HA and water. Comprised primarily of liquid vitreous, these areas scatter relatively little incident light.

Fig. 14. Ultrastructure of human vitreous fibers. Although centrifuged to concentrate structural elements, these specimens of adult human vitreous contained no membranes or membranous elements. Only collagen fibrils were detected. There were also bundles of parallel collagen fibrils such as the one shown here in cross-section (arrow). (From Sebag J, Balazs EA. Morphology and ultrastructure of human vitreous fibers. Invest Ophthalmol Vis Sci 30:187, 1989, with permission)

Vitreoretinal Interface

The periphery of the vitreous body, known as the vitreous cortex, courses anteriorly and posteriorly from the vitreous base. The portion that courses forward and inward from the vitreous base is called the anterior vitreous cortex. The portion coursing posteriorly from the posterior border of the vitreous base is known as the posterior vitreous cortex. The posterior vitreous cortex is 100 to 110 μm thick and consists of densely packed type II collagen fibrils (Fig. 15) and other extracellular matrix components. Contrary to previous beliefs, there are no direct connections between the posterior vitreous cortex and the retina, yet the posterior vitreous cortex is adherent to the internal limiting lamina (ILL) of the retina, especially in youth (Fig. 16). The exact nature of the adhesion between the posterior vitreous cortex and the ILL is not known but most probably results from the action of the various extracellular matrix molecules found at this interface.147,148

Fig. 15. Ultrastructure of human posterior vitreous cortex. Scanning electron micrograph of the posterior aspect of the posterior vitreous cortex demonstrates dense packing of type II collagen fibrils. The density is somewhat exaggerated by the dehydration performed during specimen preparation for electron microscopy. Bar = 10 μm.

Fig. 16. Vitreoretinal interface in youth. A: Dark-field microscopy of the posterior vitreous in a 14-year-old boy. The sclera, choroid, and retina were dissected off the corpus vitreus, which remains attached to the anterior segment. In contrast to adults, there is an extra layer of tissue that remained adherent to the posterior vitreous cortex when the retina was dissected off. The white arrow indicates the location of the fovea. The circular structure below this location is the prepapillary hole in the posterior vitreous cortex. Emanating from this hole are linear, branching structures (black arrows) that correspond to the location of the retinal vessels. B: Scanning electron microscopy of the tissue described in (A) demonstrates many round structures adherent to the posterior aspect of the tissue. Bar = 10 μm. C: Higher magnification showing the attachment of one of these round structures. There appears to be an indentation or hole on the posterior aspect of this structure. Bar = 1 μm. D: Transmission electron microscopy of this specimen identifies this tissue as the internal limiting lamina (ILL) of the retina attached to the posterior vitreous cortex. The round structures are identified as the inner portion of Müller cells that remained adherent to the posterior aspect of the ILL, with a hole on the posterior aspect of the inner portion of the Müller cell where it was torn away from the rest of the cell body (×20,800). (From Sebag J. Age-related differences in the human vitreoretinal interface. Arch Ophthalmol 109:966, 1991, with permission)

When the posterior vitreous is detached from the retina, a hole in the prepapillary vitreous cortex can often be seen (Fig. 17A). If peripapillary glial tissue is torn away during PVD and remains attached to the vitreous cortex surrounding the prepapillary hole, it is referred to as Vogt's or Weiss's ring. Vitreous can extrude through the prepapillary hole in the vitreous cortex (see Fig. 12A) but does so to a lesser extent than through the premacular vitreous cortex (see Fig. 12B and D). Various vitreomaculopathies can result from anteroposterior traction.148,149 Other mechanisms, particularly tangential vitreomacular traction,149,150 have been implicated in the pathogenesis of macular holes.

Fig. 17. Posterior vitreous detachment. A: Fundus photograph of posterior vitreous detachment demonstrates the prepapillary hole in the posterior vitreous cortex seen anterior to the optic disc, which is slightly below and to the right of the optic disc in this photograph. B: Preset lens biomicroscopic photograph of PVD shows a slit beam illuminating the retina and optic disc in the center of this photograph. To the right is the detached vitreous. The posterior vitreous cortex can be seen as the dense, whitish gray, vertically oriented linear structure to the right of the slit beam. (Courtesy of C. L. Trempe, MD)

HYALOCYTES.

There are cells embedded within the posterior vitreous cortex (Fig. 18) known as hyalocytes. Situated 20 to 50 μm from the ILL of the retina, these mononuclear cells are widely spread apart in a single layer (Fig. 19). The highest density of hyalocytes is in the region of the vitreous base, followed by the posterior pole, with the lowest density at the equator. Derived from circulating monocytes and renewed every 6 months, hyalocytes are oval or spindle-shaped and are 10 to 15 μm in diameter. They contain a lobulated nucleus, a well-developed Golgi complex, smooth and rough endoplasmic reticula, many large periodic acid-Schiff-positive lysosomal granules, and phagosomes (Fig. 20). Balazs72 noted that hyalocytes are located in the region of highest HA concentration and suggested that these cells may be responsible for vitreous HA synthesis, which may also be true of vitreous collagen.

Fig. 18. Human hyalocytes in the posterior vitreous cortex. Dark-field slit microscopy of dissected human vitreous demonstrating fibers within the corpus vitreus, a hole in the prepapillary posterior vitreous cortex (P), a dehiscence in the premacular vitreous cortex (M), and multiple highly-refractile foci dispersed throughout the vitreous cortex (white arrows). These are hyalocytes.

Fig. 19. Human hyalocytes in situ. Phase-contrast microscopy of flat-mount preparation of posterior vitreous cortex from the eye of an 11-year-old girl obtained at autopsy (courtesy of New England Eye Bank, Boston, MA). No stains or dyes were used in this preparation. Mononuclear cells are distributed in a single layer within the vitreous cortex (7times;115).

Fig. 20. Ultrastructure of human hyalocyte. A mononuclear cell is seen embedded within the dense collagen fibril (black C) network of the vitreous cortex. There is a lobulated nucleus (N) with a dense marginal chromatin (white C). In the cytoplasm, there are mithochondria (M), dense granules (arrows), vacuoles (V), and microvilli (Mi). (×11,670.) (Courtesy of Joe Craft and Dan Albert, MD)

The phagocytic capacity of hyalocytes derives from the presence of pinocytic vesicles, phagosomes (Fig. 20), and cell membrane receptors that bind immunoglobulin G (IgG) and complement. It is intriguing to consider that hyalocytes are among the first cells to be exposed to any migratory or mitogenic stimuli released during various disease states. Because hyalocytes are essentially tissue macrophages, they may have a role similar to macrophages in other diseases, i.e., to recruit cells and elicit further escalation of the inflammatory response. Whereas in some tissues this may be desirable, in the vitreous this process results in various untoward events, depending on the clinical circumstances. In the case of pars planitis, hyalocytes in the vitreous base may be responsible for antigen processing and eliciting an immune response typical of tissue macrophages that leads to the observed snow banks of inflammatory cells in the peripheral anterior vitreous. Indeed, for these and other reasons, this condition may be more aptly named peripheral anterior vitritis. After failed surgery for rhegmatogenous RD, hyalocytes are likely the first cells to participate in the formation of the contractile membranes that in PVR detach the retina again. The particularly high density of hyalocytes in the vitreous base may be important in the pathogenesis of anterior PVR, wherein the prominence of vitreous fibers also contributes to the disease process by facilitating cell migration and transmitting traction to the peripheral retina, ciliary body, and iris. Thus, the role of these cells must be adequately considered in defining the pathophysiology of PVR, perhaps leading to a new avenue for early intervention.

The basal laminae about the vitreous body are composed of type IV collagen closely associated with glycoproteins.148,152 At the pars plana, the basal lamina has a true lamina densa. Posterior to the ora serrata, the basal lamina is the ILL of the retina (Fig. 21). Within the ILL, the layer immediately adjacent to the Müller cell is a lamina rara, which is 0.03 to 0.06 μm thick. The lamina densa is thinnest at the fovea (0.01 to 0.02 μm) and disc (0.07 to 0.1 μm). It is thicker elsewhere in the posterior pole (0.5 to 3.2 μm) than at the equator or vitreous base. At the posterior pole, the anterior surface of the ILL (vitreous side) is smooth, whereas the posterior aspect is irregular, filling the spaces created by the irregular surface of the subjacent retinal glial cells (see Fig. 21A). In the periphery, both the anterior and posterior aspects of the ILL are smooth (see Fig. 21B). The significance of this topographic variation is not known.

Fig. 21. Ultrastructure of the human internal limiting lamina (ILL) of the retina. Transmission electron microscopy of the retina from an adult human wherein dissection resulted in a clean separation of retina from the vitreous cortex. The uppermost layer is the ILL with the inner retina below. A: In the posterior pole, the ILL has a smooth anterior surface, whereas the posterior aspect of the ILL is irregular, following the contour of the underlying nerve fibers and Müller cell foot processes. B: In the periphery, both the anterior and posterior aspect of the ILL have a smooth, continuous configuration, without the undulations of the posterior aspect of the ILL that are present in the posterior pole. (Both parts ×4500.)

At the rim of the optic disc, the retinal ILL ceases, although the basal lamina continues as the inner limiting membrane of Elschnig.152 This structure is 50 nm thick and is believed to be the basal lamina of the astroglia in the optic nerve head. At the most central portion of the optic disc, the membrane thins to 20 nm, follows the irregularities of the underlying cells of the optic nerve head, and is composed only of GAGs and no collagen.152 This structure is known as the central meniscus of Kuhnt. The thinness and chemical composition of the central meniscus of Kuhnt and the membrane of Elschnig may not be an adequate barrier to cell migration and proliferation. Consequently, this may explain the frequency with which abnormal cell proliferation arises from or near the optic disc in proliferative diabetic vitreoretinopathy and premacular membranes.

The posterior vitreous cortex is most firmly attached at the vitreous base, the disc and macula, and over retinal blood vessels. The posterior aspect (retinal side) of the posterior vitreous cortex is increasingly thick, in direct proportion to the distance from the ora serrata. Attachment plaques between the Müller cells and the ILL have been described in the basal and equatorial regions of the fundus but not in the posterior pole, except the fovea.12,153 It has been hypothesized that these develop in response to vitreous traction on the retina. It has also been proposed that the thick ILL in the posterior pole dampens the effects of vitreous traction, except at the fovea where the ILL is thin. The thinness of the ILL and the purported presence of attachment plaques at the perifoveal central macula could explain the predisposition of this region to changes induced by traction, such as in macular holes.

There is an unusual vitreoretinal interface overlying retinal blood vessels. Physiologically, this may provide a shock-absorbing function, damping arterial pulsations. Pathologically, however, this structural arrangement may also explain the hemorrhagic and proliferative events associated with vitreous traction on retinal blood vessels during PVD and proliferative diabetic vitreoretinopathy.

Back to Top
AGE-RELATED VITREOUS DEGENERATION
During aging, there are substantial rheologic, biochemical, and structural alterations in vitreous.12,95The ensemble of these changes can be appropriately referred to as age-related vitreous degeneration (ARVD).

RHEOLOGIC CHANGES

Rheology is a term that refers to the gel–liquid state of the vitreous. After the age of 45 to 50 years, there is a significant decrease in the gel volume and an increase in the liquid volume of human vitreous. Postmortem studies of dissected vitreous qualitatively confirmed these findings and determined that liquefaction begins in the central vitreous.5,12 This finding supports the observation that the central vitreous is where fibers first appear (Fig. 12) and is consistent with the concept that breakdown of the normal collagen-HA association results in the simultaneous formation of liquid vitreous and aggregation of collagen fibrils into bundles of parallel fibrils seen as large fibers.7,8,12 In the posterior vitreous, pockets of liquid vitreous are formed, recognized clinically as lacunae (Fig. 22). When a single large pocket forms, the terms bursa or precortical pocket are used.6,9 As previously mentioned, the large lacuna is a manifestation of age-related liquefaction, or synchisis, and does not represent an anatomic entity.10,11 Flood and Balazs154 found evidence of liquid vitreous after the age of 4 years and observed that by the time the human eye reaches adult size (age 14 to 18 years), 20% of the total vitreous volume consists of liquid vitreous (Fig. 23). In these postmortem studies of fresh unfixed human eyes, it was noted that after the age of 40 years, there is a steady increase in liquid vitreous. This occurs simultaneously with a decrease in gel volume. By the ages of 80 to 90 years, more than half of the vitreous is liquid.

Fig. 22. Human vitreous structure in old age. The central vitreous has thickened, tortuous fibers. The peripheral vitreous has regions devoid of any structure, which contain liquid vitreous. These regions correspond to lacunae, (arrows) as seen clinically with biomicroscopy.

Fig. 23. Liquefaction of human vitreous. The volumes of gel and liquid vitreous in 610 fresh, unfixed human eyes were measured postmortem. The results are plotted versus the age of the donor. Liquid vitreous appears by the age of 5 years and increases throughout life until it constitutes more than 50% of the volume of the vitreous during the tenth decade. Gel vitreous volume increases during the first decade while the eye is growing in size. The volume of gel vitreous then remains stable until about the age of 40 years, when it begins to decrease parallel with the increase in liquid vitreous. (From Balazs EA, Denlinger JL. Aging changes in the vitreous. In Sekular R, Kline D, Dismukes N, eds. Aging and Human Visual Function. New York: Alan R. Liss, 1982:45, with permission)

Vitreous liquefaction does not occur in most mammals154 and only a few species develop fibers.118 Studies154 have demonstrated that in rhesus monkeys, however, an age-related process of liquefaction occurs that is similar to that in humans. In the owl monkey, there is a gel-to-liquid transformation that occurs by the age of 2 years (human age, 8 to 10 years). In the baby owl monkey, the vitreous has a gel structure and contains a network of collagen fibrils, whereas in the adult there is disappearance of collagen and a simultaneous transformation from a gel state to a viscous fluid that contains mostly high molecular weight HA.154

The mechanism of vitreous liquefaction is poorly understood. Gel vitreous can be liquefied in vitro by removing collagen via filtration,155 centrifugation,156 or by enzymatic destruction of the collagen network.157 The importance of collagen in the maintenance of the gel state of vitreous can be deduced from the biochemical findings in the owl monkey, wherein the gel state is lost simultaneous to replacement of vitreous collagen by HA.112 Studies using nuclear magnetic resonance (NMR) spectroscopy in experiments performed with bovine vitreous found that collagenase induced a decrease in macroscopic viscosity and a shortening of longitudinal and transverse relaxation times.158 The decrease in viscosity was proportional to the shortening of relaxation times for collagenase-treated eyes—more than for hyaluronidase-treated eyes. This suggests that the transition from gel to liquid vitreous is in some way related to disappearance or displacement of collagen from the collagen-HA double network, resulting in a decrease in viscosity and liquefaction, as detected by NMR spectroscopy. These findings are consistent with the hypotheses invoking collagen dissociation from HA with aggregation of collagen fibrils into bundles and pooling of HA and water into lacunae as a way to explain the observed structural changes noted during aging.

Primary changes in the conformation of HA molecules with secondary cross-linking of collagen molecules and aggregation of fibrils into bundles is another possible mechanism of endogenous vitreous liquefaction. Chakrabarti and Park53 claimed that the interaction between collagen and HA depends on the conformation of each macromolecule and that a change in the conformation of HA molecules may result in alterations in collagen and pooling of HA, drawing water along and resulting in vitreous liquefaction. Armand and Chakrabarti159 detected differences in the structure of the HA molecules present in gel vitreous when compared with liquid vitreous, suggesting that conformational changes occurred during aging, resulting in liquefaction. Andley and Chapman160 have demonstrated that singlet oxygen can induce conformational changes in the tertiary structure of HA molecules. Ueno and associates82 have suggested that free radicals generated by metabolic and photosensitized light-tissue interactions may alter HA or collagen structure and trigger a dissociation of collagen and HA molecules, ultimately leading to liquefaction. This is plausible because the cumulative effects of a lifetime of daily exposure to light could indeed influence the structures and interaction of vitreous collagen and HA by the proposed free radical mechanism. In recognition of the important role of HA in maintaining vitreous structure, investigators attempting to induce liquefaction have used exogenous hyaluronidase injection in a rabbit model.161 However in humans, studies attempting to clear vitreous hemorrhage have had disappointing results with exogenous hyaluronidase injection because a phase III FDA trial recently failed to show efficacy.

Vitreous liquefaction may also be the result of changes in the minor GAGs and chondroitin sulfate profile of vitreous.162 In these studies on rabbit vitreous, liquefaction was associated with the disappearance of lower-charged chondroitin sulfate and the appearance of a higher-charged chondroitin sulfate. Such observations have led to attempts to alter vitreous rheology and structure by injecting chondroitinase ABC to purportedly break down chondroitin sulfate and induce liquefaction and disinsertion of the vitreous body.163 These findings have led to the study of chondroitinase as an adjunct to vitreous surgery, intended to facilitate removal of vitreous (see below).

BIOCHEMICAL CHANGES

Biochemical studies by Flood and Balazs154 support the rheologic observations described above. Total collagen content in vitreous does not change after the ages of 20 to 30 years (Fig. 7). In a large series of normal human eyes obtained at autopsy, however, the collagen content in the gel vitreous at the ages of 70 to 90 years (approximately 0.1 mg) was significantly greater than at the ages of 15 to 20 years (approximately 0.05 mg; p > 0.05). Because the total collagen concentration does not change during this time, these findings are most likely the result of the decrease in the volume of gel vitreous that occurs with aging and a consequent increase in the concentration of the collagen in the remaining gel. Without the previously intercalated HA molecules, the collagen fibrils in this gel aggregate and become packed into bundles of parallel fibrils (Figs. 12 and 14).7,8 Because HA is hydrophillic, the HA molecules that are no longer enmeshed in the collagen network form liquid vitreous. This concept is supported by the finding that vitreous HA concentration increases until approximately the age of 20, when adult levels are attained (Fig. 8). Thereafter, from the ages of 20 to 70 years, there are no changes in the HA concentrations of either the liquid or gel compartments. This means that there is an increase in the HA content of liquid vitreous and a concomitant decrease in the HA content of gel vitreous because the amount of liquid vitreous increases and the amount of gel vitreous decreases with age (Fig. 23).

STRUCTURAL CHANGES

As a result of the rheologic and biochemical alterations, there are significant structural changes in the aging vitreous. These consist of a transition from a clear vitreous in youth (Figs. 9 and 11), which is the result of a homogeneous distribution of collagen and HA, to a fibrous structure in the adult (Fig. 12). This is the result of collagen fibril aggregation that occurs when HA is dissociated from the macromolecular network, which maintains transparency and the gel state (Fig. 1). In old age, the advanced liquefaction, thickening and tortuosity of vitreous fibers and collapse of vitreous body (Fig. 22) result in PVD (Fig. 17). For this process to occur innocuously, there must be a weakening of vitreoretinal adhesion, allowing liquid vitreous to dissect a plane between the posterior vitreous cortex and the ILL of the retina.

VITREORETINAL INTERFACE CHANGES

As occurs in basal laminae throughout the body, there is age-related thickening of the basal laminae that surround the vitreous body.164 This is believed to be the result of synthesis by retinal Müller cells, perhaps as a result of traction induced on the inner retina over a period of many years by the attached posterior vitreous cortex.165,166 Such thickening of the ILL may ultimately contribute to weakened vitreoretinal adherence, which is a necessary, but not sufficient, element in the pathogenesis of PVD.

Teng and Chi167 found that the width (in the radial dimension) of the vitreous base posterior to the ora serrata increased with age to nearly 3.0 mm, bringing the posterior border of the vitreous base closer to the equator. This widening of the vitreous base was found to be most prominent in the temporal portion of the globe. The phenomenon of posterior migration of the posterior border of the vitreous base has recently been confirmed and an explanation for increased vitreoretinal adhesion in this location has been offered.168 It appears that there is intraretinal synthesis of collagen fibrils that penetrate the internal limiting lamina of the retina and splice with vitreous collagen fibrils. Such posterior migration of the vitreous base may have an important role in the pathogenesis of peripheral retinal breaks and rhegmatogenous RD. Gartner169 found lateral aggregation of the collagen fibrils in the vitreous base of older individuals, similar to changes within the central vitreous. These changes at the vitreous base may lead to increased traction on the peripheral retina, which, in the setting of a vitreous base that is inserted more posteriorly in the retina, may lead to the development of retinal tears and detachment after PVD.

POSTERIOR VITREOUS DETACHMENT

Defined as a separation of the posterior vitreous cortex from the ILL of the retina, PVD is the most common event to occur in the human vitreous. PVD can be localized, partial, or total (up to the posterior border of the vitreous base). Autopsy studies found that the incidence of PVD in the eighth decade is 63%.170 PVD is more common in women and in the presence of myopia, occurring 10 years earlier than in emmetropia and hyperopia.171 Cataract extraction in myopic patients introduces additional effects, causing PVD in all but 1 of 103 myopic (greater than –6 diopters) eyes in a 1975 study of intracapsular surgery.172

PVD occurs when there is weakening of the vitreous cortex-ILL adhesion in conjunction with liquefaction (synchisis) of the vitreous body. Dissolution of the vitreous cortex-ILL adhesion at the posterior pole allows liquid vitreous to enter the retrocortical space by the prepapillary hole and perhaps even the premacular vitreous cortex. With ocular saccades and rotational eye movements, liquid vitreous acts as a wedge to dissect a plane between the vitreous cortex and the ILL, leading to true PVD. It is possible that in certain circumstances (e.g., myopia and the inherited disorders of type II collagen metabolism found in various arthroophthalmopathies), there is either an increased amount of liquid vitreous or an alteration in the biochemical constituents of the liquid vitreous (or both) that facilitates vitreoretinal separation.172,173The volume displacement of liquid vitreous from the central vitreous to the preretinal space causes the observed collapse of the vitreous body (syneresis).

Although PVD may induce glare caused by light scattering by the dense collagen fibril network in the posterior vitreous cortex, the most common complaint of patients with PVD is floaters. This usually results from entoptic phenomena caused by condensed vitreous fibers, glial tissue of epipapillary origin that adheres to the posterior vitreous cortex, or intravitreal blood. Floaters move with vitreous displacement during ocular saccades and scatter incident light, casting a shadow on the retina that is perceived as a gray hairlike or flylike structure. When the ocular saccade stops, the detached posterior vitreous cortex continues to move slightly, giving rise to the subjective experience described as a floater. Wise174 noted that Moore's light flashes, first described in 1935, occurred in 50% of cases at the time of PVD and were usually vertical in orientation and temporal in location. Generally thought to result from vitreoretinal traction, these photopsia are considered by most to signify a higher risk of retinal tears. Voerhoeff,175 however, suggested that the light flashes actually result from the detached posterior vitreous cortex impacting the retina during ocular saccades. This theory is not inconsistent with an increased risk of retinal tears in an individual with PVD complaining of photopsia, although the tears might be on the same side of the photopsia as opposed to the opposite side, if traction is the cause of the photopsia.

Back to Top
VITREOUS PATHOLOGY

VITREOUS LIQUEFACTION (NONAGING)

Disorders of Collagen Metabolism

The role of collagen in maintaining a gel vitreous structure has been described above. Thus, it follows that inborn errors of type II collagen metabolism have profound effects on vitreous structure. As noted, that both vitreous and articular cartilage are rich in type II collagen explains why metabolic abnormalities in type II collagen metabolism affect both of these tissues simultaneously. Maumenee173 has characterized several such disorders with autosomal dominant inheritance and identified them as single-gene diseases with dysplastic connective tissues resulting in joint laxity and various other skeletal abnormalities. Marfan's, Ehlers-Danlos, and Stickler are the best known of these syndromes. Advanced vitreous liquefaction at a young age is typical in these patients. Because there is no concomitant dehiscence at the vitreoretinal interface, there is a high incidence of retinal detachment caused by large posterior tears. A study176 of Marfan's syndrome in the Czech Republic found that of 18 eyes with retinal detachment, 5 of 18 (28%) had tears between 80 and 120 degrees in size, 11 of 18 (61%) had tears at or posterior to the equator, and 12 of 18 (68 %) had detachments of three quadrants or more. This last-mentioned probably results form the extensive amounts of liquefied vitreous available to enter the subretinal space.

Diabetic Vitreopathy

Christiansson177 showed that alloxan-induced experimental diabetes in rabbits resulted in an increase in glucosamine content and viscosity of vitreous and a decrease in vitreous volume. More recent studies178 showed a slight increase in the tonicity of human diabetic vitreous (324 ± 23 mOsm versus 316 ± 21 mOsm in controls). Lundquist and Osterlin179 have shown that in humans with diabetes, there is an increase in vitreous glucose levels. These elevated levels of glucose were found by Sebag and colleagues180 to be associated with increased nonenzymatic glycation products in human vitreous and elevated levels of the enzyme-mediated cross-link dihydroxylysinonorleucine. The advanced glycation end products (AGEs) have been further characterized by Fourier transform Raman spectroscopy181 and are believed to be the cause of structural alterations93 that constitute diabetic vitreopathy57 (Fig. 24). Subsequent studies182 confirmed the original biochemical findings and also showed that the glycation of vitreous proteins (primarily collagen) can be inhibited by aminoguanidines.

Fig. 24. Diabetic vitreopathy. A: Right eye of a 9-year-old girl with a 5-year history of type 1 diabetes shows extrusion of central vitreous through the posterior vitreous cortex into the retrocortical (preretinal) space. The subcortical vitreous appears dense and scatters light intensely. Centrally, there are vitreous fibers (arrows) with an anteroposterior orientation and adjacent areas of liquefaction. B: Central vitreous in the left eye of the patient in (A) shows prominent fibers that resemble those seen in nondiabetic adults (see Fig. 11). (Fom Sebag J. Abnormalities of human vitreous structure in diabetes. Graef Arch Clin Exp Ophthalmol 231:257, 1993, with permission)

There may be considerable effects of diabetes on vitreous GAGs as well, not only in terms of nonenzymatic glycation effects on the protein core of the proteoglycans, but also on the GAGs themselves. Studies have shown that the presence of AGEs, promotes a decrease in the molecular weight of HA when exposed to light.183 The investigators proposed that the photosensitizer property of AGEs may be associated with accelerated depolymerization of HA in diabetic patients, contributing to diabetic vitreopathy.57

Shifts in systemic osmolarity and hydration that occur as a result of poor glycemic control can alter the ionic milieu in and around the vitreous body, extending or contracting vitreous HA, and in turn the vitreous body. This can transmit traction to structures attached to the posterior vitreous cortex, such as new blood vessels that have grown out of the optic disc or retina (Fig. 25).184 These events may influence the course of diabetic retinopathy by stimulating further proliferation of neovascular fronds and perhaps even by inducing rupture of these new vessels, resulting in vitreous hemorrhage. Tasman185 found that in 53 cases of vitreous hemorrhage caused by proliferative diabetic retinopathy, 62.3% of bleeding episodes occurred between midnight and 6 A.M., whereas the remaining parts of the day had only an 11% to 13% incidence. Although Tasman speculated that this may be the result of nocturnal hypoglycemia, sleep apnea is perhaps a more plausible mechanism.

Fig. 25. Proliferative diabetic vitreoretinopathy. A: Fundus photograph of the left eye in a patient with proliferative diabetic vitreoretinopathy. Neovascularization is present in a fibrous stalk that arises from the optic disc. The new vessels (arrows) are in sharp focus, whereas the surrounding retina is out of focus. This difference is because the vessels are not in the same focal plane as the retina and optic disc. Because the new vessels proliferated out into the peripapillary posterior vitreous cortex, they are anterior to the retinal plane. B: Histopathology of retinal neovascularization in a patient with proliferative diabetic vitreo-retinopathy demonstrates that the new vessels grow out of the retinal plane into the overlying posterior vitreous cortex. Prominent vitreous fibers insert into the new vessels and can transmit tractional forces induced by the diabetic vitreopathic changes shown in Figure 24. Such traction can be important in the pathogenesis of vitreous hemorrhage and traction retinal detachment. (From Faulborn J, Bowald S. Microproliferations in proliferative diabetic retinopathy and their relation to the vitreous. Graef Arch Clin Exp Ophthalmol 223:130, 1985, with permission)

ANOMALOUS POSTERIOR VITREOUS DETACHMENT

Anomalous posterior vitreous detachment13 (APVD) occurs when the extent of vitreous liquefaction exceeds the degree of weakening of vitreoretinal adherence and traction is exerted at this interface. There are various causes for an imbalance between the degree of gel liquefaction and weakening of vitreoretinal adhesion. As described above, inborn errors of collagen metabolism, such as those present in Marfan's, Ehlers-Danlos, and Stickler syndromes186 result in extreme gel liquefaction at an early age when there is persistent vitreoretinal adherence. The result is a high incidence of large retinal tears and detachments. Systemic conditions such as diabetes induce biochemical180 and structural93 alterations in vitreous. These changes, referred to as diabetic vitreopathy,57 are important in the pathobiology of proliferative diabetic vitreoretinopathy, and perhaps some cases of macular edema as well. Diabetic vitreopathy may one day be detected in vivo using noninvasive optical instrumentation.181,187,188 There are also changes associated with myopia, known as myopic vitreopathy, where there is excess vitreous liquefaction for the degree of vitreoretinal adhesion, resulting in anomalous PVD and undue traction at the vitreoretinal interface.189

Regardless of the underlying cause, abnormal traction at the vitreoretinal interface can have deleterious effects upon retina as well as vitreous (Table 1).

TABLE 1. Anomalous Posterior Vitreous Detachment


Traction Site(S)Retinal EffectsVitreous Effects
Blood vesselsRetinal hemorrhages
Aggravate retinal neovascularization
Vitreous hemorrhage
MaculaVitreomacular traction syndrome
diabetic macular edema (diffuse)
Vitreoschisis with
  • Macular pucker
  • Macular holes
PeripheryRetinal tears/detachmentsWhite without pressure
Optic discVitreopapillary traction syndrome
Aggravate NVD (PDVR, CRVO)
 

NVD, neovascularization of the optic disc; PDVR, proliferative diabetic vitreoretinopathy; CRVO, central retinal vein occlusion.

 

Retinal Effects

Effects upon the retina vary, depending on the site affected. These include hemorrhage, retinal tears and detachment, and vitreomacular traction syndromes, including macular holes and some cases of diabetic macular edema. Proliferative diabetic retinopathy (PDR) can be aggravated by anomalous PVD. Lindner171 found that vitreous hemorrhage occurred in 13% to 19% of patients with PVD. Because vitreous hemorrhage results from considerable vitreoretinal traction, this finding in a patient with PVD is generally considered to be an important risk factor for the presence of a retinal tear and detachment. One 15-year study in Belgium190 found that in 126 cases of nondiabetic, nontraumatic vitreous hemorrhage that did not clear for 6 months, 25% were found to have retinal tears, and 8% had retinal detachments. Another study191 found that in 36 eyes with fundus-obscuring vitreous hemorrhage, 24 of 36 eyes (67%) were found to have at least one retinal break, with 88% of breaks located in the superior retina. Eleven eyes (31%) had more than one retinal break. Fourteen of 36 eyes (39%) had a rhegmatogenous retinal detachment.

Retinal tears not involving blood vessels result from traction on other foci of usual vitreoretinal adhesion, such as the posterior border of the vitreous base. Abnormal foci of firm vitreoretinal adhesion, such as lattice degeneration and rosettes, are also frequently associated with retinal tears after PVD. Indeed, Byer192 has claimed that as many as 25% of the general population have some form of abnormal focal vitreoretinal adhesion, placing them at considerable risk from anomalous PVD.

Vitreous Effects

Effects upon vitreous primarily involve posterior vitreoschisis193 (Fig. 26). This condition results from splitting of the posterior vitreous cortex, with forward displacement of the anterior portion of the posterior vitreous cortex leaving part, or all, of the posterior layer of the split vitreous cortex still attached to the retina.194 Vitreoschisis has been detected in cases of proliferative diabetic vitreoretinopathy195 and likely has a role in the pathophysiology and sequelae of this condition. Premacular membranes with macular pucker and cases of macular holes may also result from persistent attachment of part or all of the posterior vitreous cortex to the macula while the remainder of the vitreous detaches forward. In the former case, tractional forces are centripetal (inward toward the fovea) causing macular pucker. In the latter condition tangential traction occurs in a centrifugal (outward from the fovea) direction, causing a macular hole.

Fig. 26. Ultrasongraphy of vitreoschisis in the human. Vitreoschisis, splitting of the posterior vitreous cortex (white arrow) can mimic posterior vitreous detachment (PVD). The tissue that remains attached to the macula (P) can induce macular pucker or macular holes. I, inner wall of vitreoschisis cavity; P, outer wall. (From Green RL, Byrne SF. Diagnostic ophthalmic ultrasound. In Ryan SJ, ed. Retina. St. LouisL CV Mosby, 1989, with permission)

VITREOUS OPACIFICATION (NON-HEMORRHAGIC)

Asteroid Hyalosis

This benign condition is characterized by small white or yellowish white spherical or disc-shaped opacities throughout the vitreous (Fig. 27). Asteroid bodies are so intimately enmeshed within vitreous gel that they move in a manner typical of vitreous displacement during ocular saccades. This observation led Rodman and co-workers196 to suggest that there was a relation to vitreous fibril degeneration. PVD, however, occurs less frequently in asteroid hyalosis than in age-matched controls, so this observation does not support age-related degeneration as a cause.197 The Beaver Dam eye study of 4,747 subjects found that asteroid hyalosis was present in 1.2%.198 In subjects in whom it was present, asteroid hyalosis was bilateral in 9%. The prevalence increased significantly (p < 0.001) with age from 0.2% in subjects 43 to 54 years to 2.9% in subjects 75 to 86 years. There was no association with diabetes. This was confirmed in the Blue Mountains Eye Study of 3,654 subjects in Australia199 where a prevalence of 1% was identified, bilateral occurrence was found in 8.3%, and no association with diabetes could be identified. Asteroid hyalosis can be associated with certain pigmentary retinal degenerations.200

Fig. 27. Asteroid hyalosis. Fundus photograph of a patient with asteroid hyalosis demonstrates the dense, focal, yellowish white opacities. Remarkably, patients see well through these opacities. Fluorescein angiography usually provides clearer views than color photography.

Histologic studies detected a crystalline appearance to asteroid bodies that stained positive to fat and acid mucopolysaccharide stains and was unaffected by pretreatment with hyaluronidase.201 Ultrastructural studies found intertwined ribbons of multilaminar membranes with a 6-nm periodicity that was interpreted as characteristic of complex lipids, especially phospholipids, lying in a homogeneous background matrix.202 In these investigations, energy-dispersing radiographic analysis showed calcium and phosphorus to be the main elements in asteroid bodies. Electron diffraction structural analysis demonstrated calcium hydroxyapatite and possibly other forms of calcium phosphate crystals. Yu and Blumenthal203 proposed that asteroid hyalosis results from aging collagen, with sulfated GAGs acting as chelators in the binding of calcium to free polar groups on vitreous collagen fibrils. Experimental studies in the rabbit, however, suggested that asteroid formation is preceded by depolymerization of HA.204

More recent studies205 used electron energy loss spectroscopy and energy-filtered transmission electron microscopy for the elemental analysis of asteroid bodies. The ultrastructural localization of glycosaminoglycans was investigated using lectin and antibody conjugates in conjunction with transmission electron microscopy and epifluorescence microscopy. Anionic sites of glycosaminoglycans were detected with 15 nm of cationic colloidal gold at low pH, applied as a postembedding technique. Ultrastructural details of asteroid bodies were documented using fast Fourier transform analysis of zero-loss filtered images. The results suggested that it was more specifically the GAG side chains of vitreous proteoglycans that were important in regulating this biomineralization process. The mineralization was confirmed by chemical analysis of samples removed at surgery performed with an energy-dispersive x-ray microanalyzer studies206. The observed changes resembled stones in the living body (lithiasis), leading the investigators to conclude that asteroid hyalosis is a condition of lithiasis in the vitreous body.

Although vision is rarely affected by asteroid hyalosis, the presence of asteroid bodies in vitreous interferes with ultrasonographic measurements of axial length.207 The artefactual lowering of axial length measurements that results from this effect may lead to errors in calculating the power of intraocular lenses.

Amyloidosis

Systemic amyloidosis can result in the deposition of opacities in the vitreous of one or both eyes. Bilateral involvement can be an early manifestation of the dominant form of familial amyloidosis. The opacities initially appear in the posterior vitreous cortex anterior to retinal blood vessels and later appear in the anterior vitreous. Amyloid opacities are at first granular, with wispy fringes that later take on a glass wool appearance. When the opacities form strands, they appear to attach to the retina and the posterior aspect of the lens by thick footplates.208 After PVD, the posterior vitreous cortex appears to have linear opacities that are thick and follow the course of the retinal vessels. The opacities seem to aggregate by seeding on vitreous fibrils and along the posterior vitreous cortex.202 In a recent study209 of patients with familial amyloidotic polyneuropathy, the prevalence of vitreous opacities was much higher in patients with one genetic subtype (100% in ATTR Tyr114Cys) than another (24% in ATTR Val30 Met). The mean age at the onset of vitreous opacities was also significantly lower in the patients with the former subtype than the latter (p < 0.005).

Opacified vitreous caused by amyloidosis can be safely removed surgically. Specimens that have been studied histopathologically contained starlike structures with dense fibrillar centers. Amyloid fibrils are 5 to 10 nm in diameter and are distinguishable from vitreous fibrils by stains for amyloid and because the vitreous fibrils are straight and long. Electron microscopic studies have confirmed the presence of amyloid, whereas immunocytochemical studies have identified the major amyloid constituent as a protein resembling prealbumin.210 Streeten201 has proposed that hyalocytes may perform the role of macrophage processing of the amyloid protein before its polymerization, which may explain why these opacities initially appear at the posterior vitreous cortex where hyalocytes reside.

CHANGES AFTER CATARACT SURGERY

The incidence of retinal detachment (RD) in the general population ranges between 0.005% and 0.01%.211 After intracapsular cataract extraction, the incidence was 1.74%, considerably higher than the incidence of 0.62% after extracapsular surgery. However, neodymium:yttrium-aluminum-garnet (Nd:YAG) capsulotomy increases the risk of RD, almost fivefold in one study.212 The molecular and structural effects of cataract surgery and posterior capsulotomy on vitreous provide insight into understanding the changes that contribute to the pathogenesis of RD in these patients.

Effects of Cataract Surgery on Vitreous

After intracapsular cataract extraction, there is marked reduction in vitreous HA concentration compared to the fellow phakic eyes of the same individuals.213 This probably results from HA diffusion out of the vitreous body into the anterior segment.214 Based on these findings, Osterlin213,214 proposed that aphakic eyes are more predisposed to develop retinal tears and detachments because the decrease in vitreous HA concentration causes a decrease in vitreous viscosity, allowing more vitreous movement with ocular saccades. The increased traction on the vitreous base produces retinal tears, which result in retinal detachments that rapidly enlarge to extensive detachments. This hypothesis is supported by the observation that in contrast to phakic patients with RD, patients with RD after cataract surgery usually have small retinal tears at the posterior border of the vitreous base.215 Despite these tears being small, the decreased vitreous viscosity resulting from decreased HA concentration enables easier and more rapid hydraulic access of liquid vitreous to the subretinal space by these small retinal tears, producing RD more often, more rapidly, and more extensively. These observations apply only to cases of cataract surgery by intracapsular techniques, in which there was about a 90% reduction in HA concentration.213 After extracapsular cataract extraction with an intact posterior capsule, there is no appreciable change in vitreous HA concentration. This was confirmed in a postmortem study of human eyes that compared HA concentrations in a pseudophakic eye with the fellow phakic eye; there was significant reduction in HA concentration after intracapsular extraction and no change after extracapsular surgery.216 These findings likely explain the decreased incidence of retinal tears and detachments after cataract surgery by extracapsular techniques –in one study by as much as 50%.217

Effects of Posterior Capsulotomy on Vitreous

Creating an opening in the posterior capsule by Nd:YAG laser therapy induces changes in the vitreous similar to those observed after intracapsular cataract extraction. The molecular changes are likely due to escape of various vitreous molecules via the capsulotomy site. Experimental studies using tracers injected into the vitreous body found a tenfold increase in the forward movement of 20,000 dalton dextran into the anterior chamber after posterior capsulotomy.218 Fluorophotometry confirmed these findings in humans undergoing Nd:YAG laser capsulotomy and found that intraocular pressure elevation occurred more frequently when the posterior capsule or anterior vitreous cortex barrier complex was altered,219 suggesting that vitreous macromolecules increase aqueous viscosity, decrease aqueous outflow facility, and elevate intraocular pressure. The vitreous component most likely responsible for the increase in intraocular pressure after discission of the posterior capsule or anterior vitreous cortex complex is HA, which lowers vitreous HA concentration as it leaves.220 Because of the loss of vitreous HA, there is increased vitreous collagen fiber cross-linking into bundles of parallel collagen fibrils (Figs. 11 and 13), which destabilizes the supramolecular organization of vitreous liquefying vitreous and contributing to the development of PVD. Indeed, postmortem studies of human eyes status post cataract surgery found that PVD was twice as common in eyes with open posterior capsules.221 Considering the importance of PVD in the pathogenesis of retinal tears and detachments, it is understandable that in one clinical, study eyes undergoing primary capsulotomy had a threefold higher incidence of postoperative RD than controls.222 In another study of 57,103 patients who underwent extracapsular cataract extraction, proportional-hazards modeling showed an almost fourfold increase in the risk of retinal break or detachment among those who subsequently underwent posterior capsulotomy by Nd:YAG laser therapy.223 Compared to patients older than 85 years, those 75 to 84 years old had a threefold higher risk of RD, whereas those 65 to 74 years old had a sevenfold higher risk. This finding was confirmed in a subsequent study224 where it was also determined that the patients who developed RD after cataract surgery were about 20 years younger than those who did not develop RD (p < 0.001). This is probably because at the time of surgery older patients are more likely to have already experienced PVD, decreasing the chances that they will develop retinal detachment after cataract surgery and posterior capsulotomy. Younger individuals, however, are at greater risk because they have not yet had a PVD, placing them at greater risk of developing anomalous PVD and retinal detachment. Interestingly, this study also found that diabetes was associated with a twofold increase in the risk of retinal tears or detachments (p > 0.05), possibly the consequence of diabetic vitreopathy.57 Indeed, this nested case-controlled study224 of 291 cases of RD and 870 matched controls used conditional logistic regression models and found that in addition to Nd:YAG capsulotomy, other risk factors for RD included lattice degeneration, ocular trauma after cataract surgery, prior history of RD, axial length, and refractive error.

Thus, it appears that cataract surgery induces significant molecular and structural changes within vitreous that have an important role in the development of retinal tears and detachment postoperatively. Furthermore, there is a significantly higher risk of retinal tears and detachments after cataract surgery by techniques that do not maintain the integrity of the posterior capsule, especially in younger individuals and patients with diabetes. Thus, the choice of surgical technique for cataract extraction and the decision to perform the seemingly benign procedure of posterior capsulotomy by Nd:YAG laser therapy must be considered with increased forethought and caution.

CHANGES ASSOCIATED WITH MYOPIA

Although one of every four people in the United States is myopic, the prevalence of myopia is probably even higher in other parts of the world. A spherical equivalent refractive error of minus diopters is the most common method to define myopia. By this criterion, it has been estimated that there is a 4% prevalence of high myopia (greater than −6 diopters) in the general population.225 This makes myopia one of the leading threats to vision because its effects on vitreous and the retina contribute considerably to the pathogenesis of RD. In one study, the risk of so-called idiopathic rhegmatogenous RD was found to be increased four-fold in individuals with a spherical equivalent refractive error of −1 to −3 diopters.226 For individuals with more than −3 diopters of myopia, the risk of RD was ten times greater than for nonmyopic controls. These investigators concluded that nearly 55% of nontraumatic RDs in eyes without previous ocular surgery are because of myopia. As astounding as these figures seem, they may be underestimated because, as noted by Percival,227 it is probably more accurate to define myopia based on axial length, particularly as it relates to the posterior segment complications of this condition. In his study, Percival found that using the cutoff for high myopia of −6 diopters yielded a 1.6% incidence of RD after cataract surgery. With the definition of high myopia as an axial length of more than 26.5 mm, however, the incidence of RD was found to be 4.1%. To understand the origin of these phenomena, it is necessary to consider myopia in terms of its effects on vitreous and retinal structure and the role of these changes in the pathogenesis of RD. It is also important to consider the combined effects of myopia and cataract surgery as contributing factors in the pathogenesis of postoperative RD, especially concerning the performance of clear lens extraction for high myopia.

Myopic Vitreopathy

The vitreous body in myopia is liquefied and contains filaments with localized nodules.228 Biochemical studies in myopic human eyes found decreased collagen content and concentration in the central vitreous.229 Hexosamine concentration, an index of HA, was decreased not only in the central vitreous but in the posterior vitreous cortex. Studies in experimental models of myopia also found a decrease in vitreous protein concentration.230 It was subsequently determined that the decrease in protein concentration in the liquid vitreous was concurrent with an increase in the protein concentration of the gel vitreous.231 These studies also determined that although overall vitreous volume increased in experimental myopia, the volume of gel vitreous remained the same and there was a marked increase in liquid vitreous volume. Comparing the protein content in the liquid and gel vitreous of myopic eyes revealed that although the protein profiles of the gel and liquid vitreous were similar on the day of hatching, they differed by day 14 after hatching. Based on these findings, it would seem that the accumulation of liquid vitreous in myopic eyes is not a degenerative phenomenon but the result of active synthesis of liquid vitreous. This is different from the mechanism of vitreous liquefaction seen in aging, wherein the increase in liquid vitreous volume occurs in synchrony with a decrease in gel volume (see Fig. 23). It is also possible that this abundant synthesis of liquid vitreous may be the source of an increase in the pressure gradient differential between vitreous and the suprachoroidal space that contributes to elongation of the eye and myopia.228,232

In a retrospective histopathologic study of 308 eyes with pathologic myopia, nonspecific degenerative changes of the vitreous were detected in 35.1%.232 Although it is likely that these findings do not result from age-related degeneration of gel vitreous into liquid (synchisis) but from abnormal liquid vitreous formation, the structural manifestations of these two different processes may be indistinguishable by current evaluation techniques. Stirpe and Heimann234 found that in 87 of 496 (17.5%) highly myopic eyes, there were prominent posterior vitreous lacunae. These eyes had more prominent posterior staphyloma and a thin posterior vitreous cortex that was firmly adherent to the ILL of the retina. Posterior retinal breaks, including macular holes, were present in 56% of these cases. The formation of liquid vitreous in myopia markedly destabilizes vitreous and threatens the retina because this process occurs relatively early in life and is not concurrent with dehiscence at the vitreoretinal interface. It is known that in youth there is strong adhesion of the posterior vitreous cortex to the ILL of the retina (see Fig. 16).147 Consequently, the findings that the degree of vitreous liquefaction and the incidence of PVD are greater in high myopia (more than −6 diopters) and the observation that PVD occurs 5 to 10 years earlier in myopic eyes than in emmetropia portend a poor prognosis for retinal tears and RD.235,236 Furthermore, there are often distinct peripheral retinal lesions in myopia that make PVD a particularly ominous event.

Myopia Effects on the Retina

Physical examination of 165 eyes in patients with pathologic myopia detected lattice degeneration in 9.7% and retinal holes and tears in 3.6% of individuals.237 Histologic evaluation of 308 eyes with pathologic myopia revealed peripheral retinal degeneration in 30.6%, cobblestone degeneration in 14.3%, and somewhat surprisingly, lattice degeneration in only 4.9%.233 A variant of this type of degeneration was present in an additional 11.4%, however, bringing the true prevalence closer to 16.5%, which was the finding in a clinical study of 436 eyes with myopia of more than −6 diopters.238 Interestingly, this clinical study found that the highest prevalence (63/154 eyes; 40.9%) of lattice degeneration was in eyes with −6 to −8.7 diopters (axial length of 26 to 26.9 mm), and that the lowest prevalence (5 of 71; 7%) was in eyes with more than −24 diopters (axial length more than 32 mm). The investigators proposed no explanation for this finding but suggested that this may explain why RD after cataract surgery is seen more commonly in patients with moderate myopia than in those with severe myopia.

As previously mentioned, retinal detachment frequently occurs in patients with myopia.185 A population-based case-controlled study224 comparing 291 cases of RD to 870 matched controls found that the odds ratio of RD increased by 0.92 for each diopter of myopia and by 1.21 for each millimeter of axial elongation, once again uderscoring the greater accuracy of defining myopia based on axial length, at least as it concerns the development of RD.227 Another study238 retrospectively compared 1166 eyes with RD to 11,671 eyes without RD. Myopia was present in 82.2% of RD patients, compared to 34.4% of controls. These phenomena are likely because of the myopic vitreopathy, younger age at onset of PVD in myopic individuals, relatively high incidence of peripheral retinal pathology in myopia, and the abundance of liquid vitreous available to access the subretinal space and detach the retina. Various other factors, especially cataract surgery, may further increase the risk of RD.

Cataract Surgery in Myopia

The Blue Mountains Eye Study found evidence of an association between myopia and incident cataract and cataract surgery, after adjustment for multiple confounders and severity of nuclear opacity.239 It is now known that vitreous undergoes considerable molecular and structural changes after cataract surgery.240 These abnormalities add to the risks of RD already present as a result of myopia (see above). Jaffe and associates241 noted that in high myopia, the rate of RD is nine times greater after intracapsular cataract extraction than after extracapsular surgery. Performing extracapsular cataract extraction in high myopia without implanting an intraocular lens doubles the incidence of postoperative RD.242 The incidence of postoperative RD in this group also doubles after Nd:YAG laser capsulotomy.243 While one study in Spain found that the risk of RD following clear lens extraction with posterior chamber IOL implantation is only 2.1% in 190 eyes,244 another in France found the incidence to be 8.1%, in spite of the fact that some of these cases had undergone prophylactic peripheral retinal laser photocoagulation.245 A study246 in Italy found that laser prophylaxis may not be very effective because 26 of 41 eyes that developed RD after clear lens extraction had been previously treated with 360-degree peripheral retinal laser prophylaxis. These observations suggest that particular caution needs to be exercised in contemplating, planning, and executing lens surgery in myopic patients, particularly concerning clear lens extraction.247 The future may see new treatments to prevent post-operative RD in myopia based upon pharmacologic alteration of the molecular structure of vitreous.

Back to Top
PHARMACOLOGIC VITREOLYSIS
To treat, and ultimately prevent the sequelae of anomalous PVD more effectively, it is necessary to replicate the two components of an innocuous PVD: gel liquefaction and vitreoretinal dehiscence. Surgical approaches have been successful in removing the gel vitreous and replacing it with an aqueous solution, effectively achieving total liquefaction. However there are still many challenges concerning the surgical induction of vitreoretinal dehiscence. It is likely that because vitreoretinal adhesion occurs on a molecular level, the best way to dissolve this adhesion is similarly via molecular mechanisms; i.e., pharmacologically and not surgically. Coined in 1998, the term pharmacologic vitreolysis15,16 refers to the use of exogenous (to the vitreous) agents to alter the biochemical and biophysical state of vitreous macromolecules responsible for maintaining vitreous structure and vitreoretinal adhesion. The goals of pharmacologic vitreolysis are to induce liquefaction of the gel and promote complete dehiscence of the vitreous from the retina. It is important to note that the success of pharmacologic vitreolysis depends upon inducing these two events simultaneously, or at least insuring that liquefaction does not progress without sufficient vitreoretinal dehiscence. Uncoupling these two processes, particularly by inducing liquefaction without weakening vitreoretinal adherence, may worsen matters significantly by provoking, rather than preventing or ameliorating, Anomalous PVD and its untoward sequelae; i.e., vitreo-papillopathies, vitreo-maculopathies, and peripheral retinal traction.

Pharmacologic vitreolysis was first attempted more than a half century ago when hyaluronidase was used in 1949,248 followed by collagenase in 1973.249 Indeed, in 1983 the latter agent was proposed250 as a means by which to assist vitrectomy. Table 2 outlines the approaches that are currently being developed. As indicated in this table, the different pharmacologic agents can be broadly grouped as enzymatic and nonenzymatic. Within the enzymatic group there are substrate-specific agents and nonspecific agents.

TABLE 2. Pharmacologic Vitreolysis Agents

 NonspecificSubstrate specific
EnzymaticPlasminChondroitinase
 MicroplasminHyaluronidase
 DispaseMatrix metalloproteinases (including collagenases)
NONENZYMATICTBDTBD

TBD, to be determined.

 

A clinically-oriented way to consider the various agents being developed for pharmacologic vitreolysis is presented in Table 3 and described below.

TABLE 3


EnzymeSurgery adjunctReplace vitrectomyProphylactic PVD
PlasminX  
Urokinase + plasminogenX  
MicroplasminX  
DispaseX  
Hyaluronidase X (?) 
ChondroitinaseX X

(?) indicates that this agent failed phase III Food and Drug Administration trials.

 

VITREORETINAL SURGERY ADJUNCTS

These agents are being developed primarily as adjuncts to facilitate vitreous surgery as it is currently being performed. Early observations on the effects of blood upon vitreous laid the groundwork for approaches based upon extracting active agents from blood for pharmacologic vitreolysis. Plasmin is a nonspecific protease that has been isolated from the patient's own serum for use at surgery. It has been tested in rabbits251 and several small series of patients with macular holes252,253 and diabetic retinopathy254 undergoing vitrectomy. To date, this agent has only been advocated as an adjunct to vitreoretinal surgery. There are also other sources of plasmin. Studies255 in Marburg, Germany, have shown that effective intravitreal levels of plasmin can be generated by injecting tissue plasminogen activator (tPA) and breaking down the blood–vitreous barrier with cryopexy or laser photocoagulation. Other studies256 have injected combinations of plasminogen and urokinase into the eye where they reacted with one another to generate plasmin. Recently, microplasmin, a human recombinant molecule with a molecular weight of 29,000 kd representing a portion of the plasmin molecule that lacks the five kringle domains but contains the protease domain of plasminogen, has been shown to separate the vitreous cortex from the retina in pigs257 and postmortem human eyes.258

Another relatively nonspecific protease currently under investigation is dispase. The first investigations259 to use dispase-induced PVD in enucleated porcine and human cadaver eyes, noting no untoward effects upon retinal histology and ultrastructure. Subsequent studies260 were successful in using this agent in vivo to remove cortical vitreous during vitreous surgery pigs. Because dispase has proteolytic activity against type IV collagen and fibronectin, there is some concern that the inner retina might be adversely affected by this agent. Yet, the histology in the aforementioned studies of porcine and human cadaver eyes found that only the lamina rara interna of the ILL was affected, with lesser effects upon the lamina densa and no effects upon neuroretinal ultrastructure. The in vivo animal studies also found that this agent did not alter the electroretinorgram. However, the most recent and extensive study261 in rabbit and human eyes found that this agent causes retinal toxicity, perhaps due to the broad range of proteins subject to the effects of dispase.

REPLACING VITRECTOMY

In addition to facilitating vitreoretinal surgery as currently performed, pharmacologic vitreolysis could possibly replace vitrectomy, as was proposed with hyaluronidase to clear vitreous hemorrhage without vitrectomy. However, in the phase III Food and Drug Administration (FDA) trial undertaken in the United States, this drug was not found to be effective. This may be because the trial included both patients with type 1 and type 2 diabetes. In the former group, patients are younger and more likely to have an attached vitreous without a weakened vitreoretinal interface. Thus, although hyaluronidase may decrease the viscosity of gel vitreous and facilitate the outflow of red blood cells, it will not likely induce PVD. Thus, in the younger patients with type 1 diabetes the persistent attachment of the posterior vitreous cortex to the retina and to any neovascular complexes arising from the retina and optic disc would cause recurrent vitreous hemorrhage. The results of the phase III FDA trial would suggest that hyaluronidase is unable to induce PVD in diabetic retinopathy, consistent with the findings in animal studies.262,263 On the other hand, combining hyaluronidase with SF6 has purportedly induced PVD in the rabbit, similar to what has been shown with plasmin and 264 It is plausible that the expanding gas, and not the enzyme, is responsible for these effects, because many years ago Thresher, Ehrenberg and Machemer reported similar effects with expanding gas alone.265

PROPHYLACTIC POSTERIOR VITREOUS DETACHMENT

The true promise of pharmacologic vitreolysis lies in the potential to induce prophylactic PVD. To do so safely and effectively would require an agent that can liquefy the gel vitreous and also weaken vitreoretinal adhesion. To date, the leading candidate in the category of substrate-specific enzymes is chondroitinase. This agent lyses chondroitin sulfate, a molecule that appears to be important in both the maintenance of the gel state of vitreous (see above), as well as vitreoretinal adhesion. Experimental studies266 have shown that when used as an adjunct to vitreous surgery, chondroitinase facilitates the removal of premacular membranes. Several years ago, a phase I trial used this agent during vitreous surgery in patients with macular holes and proliferative diabetic retinopathy with no untoward effects. Phase II studies are being planned. However, the true value of this agent probably lies in its ability to induce both gel liquefaction and dehiscence at the vitreoretinal interface, making it an excellent candidate for prophylactic induction of PVD. In patients with advanced nonproliferative diabetic retinopathy who are at risk of progressing to proliferative retinopathy, liquefaction of the gel vitreous and detachment of the posterior vitreous cortex away from the retina prior to the onset of new vessel growth into the vitreoretinal interface will have a far better prognosis than if the vitreous were still attached to the retina. This may also mitigate against diabetic macular edema, a common cause of vision loss in diabetic patients. Fellow eyes of macular holes or retinal detachments, and indeed any manifestation of anomalous PVD (see above) would be suitable candidates for prophylactic pharmacologic vitreolysis.

Back to Top
REFERENCES

1. Sebag J. Classifying posterior vitreous detachment–a new way to look at the invisible. Br J Ophthalmol 81:521, 1997

2. Baurmann M. Untersuchungen Uber die Sturktur des Glaskorpers bei Saugetieren. Albrecht Von Graefes Arch Ophthalmol 110:352, 1922

3. Redslob E. Le Corps Vitre. Societe Francaise d'Ophtalmologie Monogr, Paris: Masson, 1932, 174

4. Gullstrand A. Die Nernspaltlampe in der Ophthalmologischen Praxis. Klin Monatsbl Augenheilkd 50:48, 1912

5. Eisner G. Biomicroscopy of the Peripheral Fundus. New York: Springer-Verlag, 1973

6. Worst JGF. Cisternal systems of the fully developed vitreous body in the young adult. Trans Ophthalmol Soc UK 97:550, 1977

7. Sebag J, Balazs EA. Human vitreous fibres and vitreo-retinal disease. Trans Ophthalmol Soc UK 104:123, 1985

8. Sebag J, Balazs EA. Morphology and ultrastructure of human vitreous fibers. Invest Ophthalmol Vis Sci 30:187, 1989

9. Kishi S, Shimizu K. Posterior precortical vitreous pocket. Arch Ophthalmol 108:979, 1990

10. Sebag J. Letter to the editor. Arch Ophthalmol 109:1059, 1991

11. Kakehashi A. Age related changes in the premacular vitreous cortex. Invest Ophthalmol Vis Sci 37:2253, 1996

12. Sebag J. The Vitreous-Structure, Function, and Pathobiology. New York: Springer-Verlag, 1989

13. Sebag J. Anomalous posterior vitreous detachment—A unifying concept in vitreo-retinal disease. Graef Arch Clin Exp Ophthalmol 242:690-698, 2004

14. Sebag J. Surgical anatomy of vitreous and the vitreo-retinal interface. In Tasman W, Jaeger EA, eds. Duane's Clinical Ophthalmology, Vol. 6. Philadelphia: JB Lippincott, 1994:1

15. Sebag J. Pharmacologic vitreolysis. Retina 18:1, 1998

16. Sebag J. Is pharmacologic vitreolysis brewing? Retina 22:1, 2002

17. Gloor BP. The vitreous. In Moses RA, ed. Adler's Physiology of the Eye. St. Louis: Mosby 1975:246–267

18. Gross J. Comparative biochemistry of collagen. In Florkin M, Mason HS, eds. Comparative Biochemistry. New York: Academic Press 1963:307–347

19. Swann DA, Constable IJ, Harper E. Vitreous structure. III. Composition of bovine vitreous collagen. Invest Ophthalmol 11:735, 1972

20. Swann DA, Caulfield JB, Broadhurst JB. The altered fibrous form of vitreous collagen following solubilization with pepsin. Biochem Biophys Acta 427:365, 1976

21. Stuart JM, Cremer MA, Dixit SN et al Collagen-induced arthritis in rats: Comparison of vitreous and cartilage-derived collagens. Arthritis Rheum 22:347, 1979

22. Swann DA. Chemistry and biology of vitreous body. Int Rev Exp Pathol 22:1, 1980

23. Schmut O, Mallinger R, Paschke E. Studies on a distinct fraction of bovine vitreous body collagen. Graefes Arch Clin Exp Ophthalmol 221:286, 1984

24. Linsenmeyer TF, Gibney E, Little CD. Type II collagen in the early embryonic chick cornea and vitreous-immunoradiochemical evidence. Exp Eye Res 34:371, 1982

25. Snowden JM. The stabilization of in vivo assembled collagen fibrils by proteoglycans/glycosaminoglycans. Biochem Biophys Acta 703:21, 1982

26. Swann DA, Sotman SS. The chemical composition of bovine vitreous humour collagen fibres. Biochem J 185:545, 1980

27. Liang JN, Chakrabarti B. Stereoscopic studies on pepsin-solubilized vitreous and cartilage collagens. Curr Eye Res 1:175, 1981

28. Von der Mark K. Localization of collagen types in tissues. Int Rev Connect Tissue Res 9:265, 1981

29. Ayad S, Weiss JB. A new look at vitreous humour collagen. Biochem J 218:835, 1984

30. Van der Rest M. Type IX collagen. In Structure and Function of Collagen Types. New York: Academic Press 1987:195–221

31. Eyre DR, Apon S, Wu JJ et al Collagen type IX: Evidence for covalent linkages to type II collagen in cartilage. Fed Eur Biochem Soc 220, 2:337, 1987

32. Wright DW, Mayne R. Vitreous humor of chicken contains two fibrillar systems: An analysis of their structure. J Ultrastr Mol Struct Res 100:224, 1988

33. Hong BS, Davison DF. Identification of type II procollagen in rabbit vitreous. Ophthalm Res 17:162, 1985

34. Seery CM, Davison PF. Collagens of the bovine vitreous. Invest Ophthalmol Vis Sci 32:1540, 1990

35. Bishop PN, Crossman MV, McLeod D. Extraction and characterization of the tissue forms of collagen type II and IX from bovine vitreous. Biochem J 299:497, 1994

36. Reardon A, Sandell L, Jones CJP, et al Localization of pN-type IIA procollagen on adult bovine vitreous collagen fibrils. Matrix Biology 19:169, 2000

37. Zhu Y, Oganesian A, Keene DR, et al Type IIA procollagen containing the cysteine-rich amino propeptide is deposited in the extracellular matrix of prechondrogenic tissue and binds to TGFbeta-1 and BMP-2. J Cell Biol 144:1069, 1999

38. Bishop PN, Reardon AJ, McLeod D, et al Identification of alternatively spliced variants of type II procollagen in vitreous. Biochem Biophys Res Commun 203:289, 1994

39. Brewton RG, Ouspenskaia MV, Van der Rest M, et al Cloning of the chicken alpha 3 (IX) collagen chain completes the primary structure of type IX collagen. Eur J Biochem 205:443, 1992

40. Asakura A. Histochemistry of hyaluronic acid of the bovine vitreous body as studied by electron microscopy. Acta Soc Ophthalmol Jpn 89:179, 1985

41. Scott JE. The chemical morphology of the vitreous. Eye 6:553, 1992

42. Zhidkova NI, Justice S, Mayne R. Alternative in RNA processing occurs in the variable region of the pro-peptide. J Biol Chem 270:9485, 1995

43. Knupp C, Munro PM, Luther PK, et al Structure of abnormal molecular assemblies (collagen VI) associated with human full thickness macular holes. J Struct Biol 129:38, 2000

44. Toledo DMS, Dietrich CP. Tissue specific distribution of sulfated mucopolysaccharides in mammals. Biochem Biophys Acta 498:114, 1977

45. Balazs EA.The vitreous. In Davson H, ed. The Eye. Vol. la. London: Academic Press, 1984:533–589

46. Breen M, Bizzell JW, Weinstein MG. A galactosamine-containing proteoglycan in human vitreous. Exp Eye Res 24:409, 1977

47. Allen WS, Otterbein EC, Wardi AH. Isolation and characterization of the sulfated glycosaminoglycans of the vitreous body. Biochem Biophys Acta 498:167, 1977

48. Kamei A, Totani A. Isolation and characterization of minor glycosaminoglycans in the rabbit vitreous body. Biochem Biophys Res Comm 109:881, 1982

49. Meyer K, Palmer JW. The polysaccharide of the vitreous humor. J Biol Chem 107:629, 1934

50. Laurent UBG, Fraser JRE. Turnover of hyaluronate in aqueous humor and vitreous body of the rabbit. Exp Eye Res 36:493, 1983

51. Sheehan JK, Atkins EDT, Nieduszynski IA. X-Ray diffraction studies on the connective tissue polysaccharides. Two dimensional packing scheme for threefold hyaluronic chains. J Mol Biol 91:153, 1975

52. Atkins EDT, Phelps CF, Sheehan JK. The conformation of the mucopolysaccharides—Hyaluronates. Biochem J 128:1255, 1972

53. Chakrabarti B, Park JW. Glycosaminoglycans structure and interaction. CRC Crit Rev Biochem 8:225, 1980

54. Brewton RG, Mayne R. Mammalian vitreous humor contains networks of hyaluronan molecules. Exp Eye Res 198:237, 1992

55. Reardon A, Heinegard D, McLeod D, et al The large chondroitin sulphate proteoglycans versican in mammalian vitreous. Matrix Biol 17:325, 1998

56. Comper WD, Laurent TC. Physiological functions of connective tissue polysaccharides. Physiol Rev 58:255, 1978

57. Sebag J. Diabetic vitreopathy. Ophthalmology 103:205, 1996

58. Laurent UBG, Granath KA. The molecular weight of hyaluronate in the aqueous humour and vitreous body of rabbit and cattle eyes. Exp Eye Res 36:481, 1983

59. Laurent TC, Ryan M, Pietruszkiewiecz A. Fractionation of hyaluronic acid: The polydispersity of hyaluronic acid from the vitreous body. Biochem Biophys Acta 42:476, 1960

60. Berman ER. Studies on mucopolysaccharides in ocular tissues. 1. Distribution and localization of various molecular species of hyaluronic acid in the bovine vitreous body. Exp Eye Res 2:1, 1963

61. Ogston AG, Phelps CF. The partition of solutes between buffer solutions containing hyaluronic acid. Biochem J 78:827, 1961

62. Bishop PN. Structural macromolecules and supramolecular organization of the vitreous gel. Prog Retinal Eye Res 19:323, 2000

63. Theocaris AD, Papageorgakopoulou N, Feretis E, et al Occurrence and structural characterization of versican-like proteoglycan in human vitreous. Biochimie 84:1237, 2002

64. Allen WS, Ottenbein E, Wardi AH. Isolation and characterization of the sulphated glycosaminoglycans of the vitreous body. Biochim Biophys Acta 498:167, 1977

65. Tsen G, Halfter W, Kroger S, et al Agrin is a heparan sulphate proteoglycans. J Biol Chem 270:3392, 1995

66. Kroger S. Differential distribution of agrin isoforms in the developing and adult avian retina. Mol Cell Neurosci 10:149, 1997

67. Reardon AJ, LeGoff M, Briggs MD, et al Identification in vitreous and molecular cloning of opticin, a novel member of the family of leucine-rich repeat proteins of the extracellular matrix. J Biol Chem 275:2123, 2000

68. LeGoff MM, Hindson VJ, Jowitt TA, et al Characterization of opticin and evidence of stable dimerization in solution. J Biol Chem 278:45280, 2003

69. Ramesh S, Bonshek RE, Bishop PN. Immunolocalisation of opticin in the human eye. Br J Ophthalmol 88:697, 2004

70. Sebag J. Ageing of the vitreous. Eye 1:254-262, 1987

71. Mayne R, Ren Z-X, Liu J, Cook T, et al VIT1—The second member of a new branch of the von willebrand A domain superfamily. Biochem Soc Trans 27:832, 1999

72. Balazs EA. Functional anatomy of the vitreus. In Duane TD, Jaeger EA, eds. Biomedical Foundation of Ophthalmology, Vol. 1. Philadelphia: Harper & Row, 1984:14

73. Haddad A, Laicine EM, Almeida JC, et al Partial characterization, origin and turnover of glycoproteins of the rabbit vitreous body. Exp Eye Res 51:139, 1990

74. Haddad A, Laicine EM. Studies on the origin of the glycoproteins of the rabbit vitreous body using a protein synthesis inhibitor and radioactive fucose and amino acids. Ger J Ophthalmol 2:127, 1993

75. Rhodes RH, Mandelbaum SH, Minckler DS, et al Tritiated fucose incorporation in the vitreous body, lens, and zonules of the pigmented rabbit. Exp Eye Res 39:373, 1984

76. Hageman GS, Johnson LV. Lectin binding glycoporteins in the vertebrate vitreous body and inner limiting membrane–tissue localization and biochemical characterization. J Cell Biol 99:179a, 1984

77. Nguyen BO, Fife RS. Vitreous contains a cartilage-related protein. Exp Eye Res 43:375, 1986

78. Bishop PN, Takanosu M, LeGoff M, et al The role of the posterior ciliary body in the biosynthesis of vitreous humour. Eye 16:454, 2002

79. McGahan MC. Ascorbic acid levels in aqueous and vitreous humors of the rabbit-effects of inflammation and cerruloplasmin. Exp Eye Res 41:291, 1985

80. Ringvold A. Aqueous humor and ultraviolet radiation. Acta Ophthalmol 58:69, 1980

81. Balazs EA. Studies on structure of vitreous body—Absorption of ultraviolet light. Am J Ophthalmol 38:21, 1954

82. Ueno N, Sebag J, Hirokawa H, et al Effects of visible-light irradiation on vitreous structure in the presence of a photosensitizer. Exp Eye Res 44:863, 1987

83. Williams RN, Patterson CA, Eakins KE, et al Ascorbic acid inhibits the acitivity of polymorphonuclear leukocytes in inflamed ocular tissue. Exp Eye Res 39:261, 1984

84. Mc Gahan MC, Fleisher LN. Antioxidant activity of aqueous and vitreous humor from the inflamed rabbit eye. Curr Eye Res 5:641, 1986

85. Mayne R. The eye. In Connective Tissue and Its Heritable Disorders. Wiley-Liss, Inc., 2001:131–141

86. Jackson DS. Chondroitin sulphuric acid as a factor in the stability of tendon. Biochem J 54:638, 1953

87. Gelman RA, Blackwell J, Kefalides NA, et al Thermal stability of basement membrane collagen. Biochem Biophys Acta 427:492, 1976

88. Snowden JM. The stabilization of in vivo assembled collagen fibrils by proteoglycans/glycosaminoglycans. Biochem Biophys Acta 703:21, 1982

89. Tokita M, Fujiya Y, Hikichi K. Dynamic viscoelasticity of bovine vitreous body. Biorheology 21:751, 1984

90. Mathews MB. The interaction of collagen and acid mucopolysaccharides: A model for connective tissue. Biochem J 96:710, 1965

91. Podrazky V, Stevens FS, Jackson DS, et al Interaction of tropocollagen with protein-polysaccharide complexes. An analysis of the ionic groups responsible for interaction. Biochem Biophys Acta 229:690, 1971

92. Stitt AW, Moore JE, Sharkey JA, et al Advanced glycation end products in vitreous: Structural and functional implications for diabetic vitreopathy. Invest Ophthalmol Vis Sci 39:2517, 1998

93. Sebag J. Abnormalities of human vitreous structure in diabetes. Graef Arch Clin Exp Ophthalmol 231:257-260, 1993

94. Sebag J. Age-related changes in human vitreous structure. Graefes Arch Clin Exp Ophthalmol 225:89, 1987

95. Sebag J. Aging of the vitreous. Eye 1:254, 1987

96. Sebag J, The vitreous. In: Hart WM, ed: Adler's physiology of the eye. St. Louis: Mosby, 1992, 268

97. Hong BS, Davison DF. Identification of type II procollagen in rabbit vitreous. Ophthalmic Res 17:162, 1985

98. Tokita M, Fujiya Y, Hikichi K. Dynamic viscoelasticity of bovine vitreous body. Biorheology 21:751, 1984

99. Swann DA, Constable IJ, Caulfield JB. Vitreous structure IV. Chemical composition of the insoluble residual protein fraction from the rabbit vitreous. Invest Ophthalmol 14:613, 1975

100. Delpech B, Halavent C. Characterization and purification from human brain of a hyaluronic acid-binding glycoprotein, hyaluronectin. J Neurochem 36:855, 1981

101. Hardingham TE. The role of link-protein in the structure of cartilage proteoglycan aggregates. Biochem J 177:237, 1979

102. Scott JE. Proteoglycan-collagen interactions and corneal ultrastructure. Biochem Soc Trans 19:1991, 1992

103. Scott JE, Chen Y, Brass A. Secondary and tertiary structures involving chondroitin and chondroitin sulphate in solution, investigated by rotary shadowing electron microscopy and computer simulation. Eur J Biochem 209:675, 1992

104. Mayne R, Brewton RG, Ren Z-H. Vitreous body and zonular apparatus. In Harding JJ, ed. Biochemistry of the Eye. London: Chapman and Hall, 1997:135–143

105. Bishop PN, McLeod D, Reardon A. The role of glycosaminoglycans in the structural organization of mammalian vitreous. Invest Ophthalmol Vis Sci 40:2173, 1999

106. Armand G, Balazs EA. Physical and chemical characterization of icthyosanpolysaccharides of fish eyes. Proc Intl Soc Eye Res 1:68, 1980

107. Gherezghiher T, Koss MC, Nordquist RE, et al Analysis of vitreous and aqueous levels of hyaluronic acid-application of high performance liquid chromatography. Exp Eye Res 45:347, 1987

108. Denlinger JL, Eisner G, Balazs EA. Age-related changes in the vitreous and lens of rhesus monkeys (macaca mulatta). Exp Eye Res 31:67, 1980

109. Balazs EA. Physiology of the vitreous body in retinal surgery with special emphasis on re-operation. In Schepens CL, ed. Proceedings of the 11th Conference of the Retina Foundation. St. Louis: CV Mosby, 1960:29–48

110. Snowden JM, Swann DA. Vitreous structure. V. The morphology and thermal stability of vitreous collagen fibers and comparison to articular cartilage (type II) collagen. Invest Ophthalmol Vis Sci 19:610, 1980

111. Hogan MJ, Alvarado JA, Weddel JE. Histology of the Human Eye: An Atlas and Textbook. Philadelphia: WB Saunders, 1971

112. Chakrabarti B, Hultsch E. Owl monkey vitreous–a novel model for hyaluronic acid structural studies. Biochem Biophys Res Commun 71:1189, 1976

113. Sebag J, Hageman GS. Interfaces. Eur J Ophthalmol 10:1-3, 2000

114. Mann I. The vitreous and suspensory ligament of the lens. In The Development of the Human Eye. New York: Grune & Stratton, 1964:150

115. Jack RL. Regression of the hyaloid artery system: An ultrastructural analysis. Am J Ophthalmol 74:261, 1972

116. Balazs EA. Fine structure of the developing vitreous. Int Ophthalmol Clin 15:53, 1975

117. Gloor BP. Zur entwicklung des glaskorpers und der Zonula. III. Henkunft, Lebenszeit und ersatz der glaskorpezellen beim kaninchen. Graefes Arch Clin Exp Ophthalmol 187:21, 1973

118. Balazs EA, Toth LZ, Ozanics V. Cytological studies on the developing vitreous as related to the hyaloid vessel system. Graefes Arch Clin Exp Ophthalmol 213:71, 1980

119. Raymond L, Jacobson B. Isolation and identification of stimulatory and inhibiting growth factors in bovine vitreous. Exp Eye Res 34:267, 1982

120. Lutty GA, Mello RJ, Chandler C, et al Regulation of cell growth by vitreous humour. J Cell Sci 76:53, 1985

121. Jacobson B, Dorfman T, Basu PK, et al Inhibition of vascular endothelial cell growth and trypsin activity by vitreous. Exp Eye Res 41:581, 1985

122. Feeney SA, Simpson DA, Gardiner TA, et al Role of vascular endothelial growth factor and placental growth factors during retinal vascular development and hyaloid regression. Invest Ophthalmol Vis Sci 44:839, 2003

123. Mitchell CA, Risau W, Drexler HC. Regression of vessels in the tunica vasculosa lentis is initiated by coordinated endothelial apoptosis: A role for vascular endothelial growth factor as a survival factor for endothelium. Dev Dyn 213:322, 1998

124. Ito M, Yoshioka M. Regression of the hyaloid vessels and papillary membrane of the mouse. Anat Embryol 200:403, 1999

125. McMenamin PG, Djano J, Wealthall R, et al Characterization of the macrophages associated with the tunica vasculosa lentis of the rat eye. Invest Ophthalmol Vis Sci 43:2076, 2002

126. Meeson A, Palmer M, Calfon M, et al A relationship between apoptosis and flow during programmed capillary regression is revealed by vital analysis. Development 122:3929, 1996

127. Terry TL. Extreme prematurity and fibroblastic overgrowth of persistent vascular sheath behind each crystalline lens. Am J Ophthalmol 25:203, 1942

128. Committee for the Classification of Retinopathy of Prematurity. An international classification of retinopathy of prematurity. Arch Ophthalmol 102:1130, 1984

129. Patz A. Clinical and experimental studies on retinal neovascularization. Am J Ophthalmol 94:715, 1984

130. Kretzer FL, Hittner M. Spindle cells and retinopathy of prematurity. Birth Defects 24:147, 1988

131. Sebag J, McMeel JW. Diabetic retinopathy: Pathogenesis and role of retina-derived growth factor in angiogenesis. Surv Ophthalmol 30:377, 1986

132. Alon T, Hemo I, Itin A, et al Vascular endothelial growth factor acts as a survival factor for newly formed retinal vessels and has implications for retinopathy of prematurity. Nat Med 1:1024, 1995

133. Sebag J. Imaging vitreous. Eye 16:429, 2002

134. Machemer R. Description and pathogenesis of late stages of retinopathy of prematurity. Ophthalmology 92:1000, 1985

135. Foos RY. Chronic retinopathy of prematurity. Ophthalmology 92:563, 1985

136. Hirose T, Sang DA. Vitreous changes in retinopathy of prematurity. In Schepens CL, Neetens A, eds. The Vitreous and Vitreo-Retinal Interface. New York: Springer-Verlag, 1987:165–177

137. Brockhurst RJ, Albert DM, Zakov N. Pathologic findings in familial exudative vitreoretinopathy. Arch Ophthalmol 99:2143, 1981

138. Campo RV. Similarities of familial exudative vitreoretinopathy and retinopathy of prematurity [letter]. Arch Ophthalmol 101:821, 1983

139. van Nouhuys CE. Congenital retinal fold as a sign of dominant exudative vitreoretinopathy. Graefes Arch Ophthalmol 217:55, 1981

140. van Nouhuys CE. Juvenile retinal detachment as a complication of familial exudative vitreoretinopathy. Fortschr Ophthalmol 86:221, 1989

141. Ikeda T, Fujikado T, Tano Y, et al Vitrectomy for rhegmatogenous or tractional retinal detachment with familial exudative vitreoretinopathy. Ophthalmology 106:1081, 1999

142. Larsen JS. The sagittal growth of the eye. III. Ultrasonic measurement of the posterior segment from birth to puberty. Acta Ophthalmol (Copenh) 49:441, 1971

143. Tigges M, Tigges J, Fernandez A, et al Postnatal axial eye elongation in normal and visually-deprived rhesus monkeys. Invest Ophthamol Vis Sci 31:1035, 1990

144. Fledelius HC. Ophthalmic changes from age of 10 to 18 years—A longitudinal study of sequels to low birth weight IV. Ultrasound oculometry of vitreous and axial length. Acta Ophthalmol 60:403, 1982

145. Newsome DA, Linsemayer TF, Trelstad RJ. Vitreous body collagen. Evidence for a dual origin from the neural retina and hyalocytes. J Cell Biol 71:59, 1976

146. Chaine G, Sebag J, Coscas G. The induction of retinal detachment. Trans Ophthalmol Soc UK 103:480, 1983

147. Sebag J. Age-related differences in the human vitreoretinal interface. Arch Ophthalmol 109:966, 1991

148. Sebag J. Anatomy and pathology of the vitreo-retinal interface. Eye 6:541, 1992

149. Sebag J, Wendell R, DeBustros S. Disorders of the vitreo-macular interface. In Margo C, Hamed L, Mames R, eds. Diagnostic Problems in Clinical Ophthalmology. Philadelphia: WB Saunders, 1994:556

150. Gass JDM. Reappraisal of biomicroscopic classification of stages of development of a macular hole. Am J Ophthalmol 119:752, 1995

151. Qiao H, Hisatomi T, Sonoda KH, et al: The characterisation of hyalocytes: the origin, phenotype, and turnover. Br J Ophthalmol 89:513,2005

152. Foos RY. Vitreoretinal juncture—Topographical variations. Invest Ophthalmol 11:801, 1972

153. Eisner G, Bachmann E. Vergleichende morphologische—Spaltlampenuntersuchun des Glaskörpers. Alb v Graef Arch Kil Exp Ophthalmol 192:1, 1974

154. Balazs EA, Denlinger JL: Aging changes in the vitreous. In Sekular R, Kline D, Dismukes N, eds: Aging and the Human Visual Function. New York Alan R Liss, 1982, 45

155. Morner CT. Untersuchung der Proteinsubstanz in den lichtbrechenden Medien des Auges. Z Physiol Chem 18:233, 1894

156. Friedenwald JS, Stiehler RD. Structure of the vitreous. Arch Ophthalmol 14:789, 1935

157. Pirie A, Scmidt G, Waters JW. Ox vitreous humor. I. The residual protein. Br J Ophthalmol 32:3211, 1948

158. Aguayo J, Glaser B, Mildvan A, et al Study of vitreous liquefaction by NMR spectroscopy and imaging. Invest Ophthalmol Vis Sci 26:692, 1985

159. Armand G, Chakrabarti B. Conformational differences between hyaluronates of gel and liquid human vitreous—Fractionation and circular dichroism studies. Curr Eye Res 6:445, 1987

160. Andley UP, Chapman SF. Effect of oxidation on the conformation of hyaluronic acid. Invest Ophthalmol Vis Sci 25:318, 1984

161. Harooni M, McMillan T, Refojo M. Enzymatic PVD by intravitreal injection of hyaluronidase. Invest Ophthalmol Vis Sci 38:S286, 1997

162. Kamei A, Totani A. Isolation and characterization of minor glycosaminoglycans in the rabbit vitreous body. Biochem Biophys Res Commun 109:881, 1982

163. Hageman GS, Russell SR. Chondroitinase-mediated disinsertion of the primate vitreous body. Invest Ophthalmol Vis Sci 35:1260, 1994

164. Gartner J. Electron microscopic study on the cilio-zonular border of the human eye with particular reference to the aging changes. Anat Entwicklungsgesch 131:263, 1970

165. Tokita M, Fujiya Y, Hikichi K. Dynamic viscoelasticity of bovine vitreous body. Biorheology 21:751, 1984

166. Constable J II, Horne R, Slater DH, et al Regeneration of retinal limiting membranes after chorioretinal biopsy in dogs. Invest Ophthalmol Vis Sci 20:246, 1981

167. Teng CC, Chi HH. Vitreous changes and the mechanism of retinal detachment. Am J Ophthalmol 44:335, 1957

168. Wang J, McLeod D, Henson DB, et al Age-dependent changes in the basal retinovitreous adhesion. Invest Ophthalmol Vis Sci 44:1793, 2003

169. Gartner J. Electron microscopic study on the fibrillar network and fibrocyte-collagen interactions in the vitreous cortex at the ora serrata of human eyes with special regard to the role of disintegrating cells. Exp Eye Res 42:21, 1986

170. Foos RY, Wheeler NC. Vitreoretinal juncture, synchisis senilis and posterior vitreous detachment. Ophthalmology 89:1502, 1982

171. Lindner B. Acute posterior vitreous detachment and its retinal complications. Acta Ophthalmologica 87:1, 1966

172. Hyams SW, Neumann E, Friedman Z. Myopia and aphakia II. Vitreous and peripheral retina. Br J Ophthalmol 59:483, 1975

173. Maumenee IH. Vitreoretinal degenerations as a sign of generalized connective tissue diseases. Am J Ophthalmol 88:432-449, 1979

174. Wise GN. Relationship of idiopathic preretinal macular fibrosis to posterior vitreous detachment. Am J Ophthalmol 79:358, 1975

175. Voerhoeff FH. Are Moore's lightning streaks of serious portent. Am J Ophthalmol 41:837, 1956

176. Dotrelova D, Karel I, Clupkova E. Retinal detachment in Marfan's syndrome. Characteristics and surgical results. Retina 17:390, 1997

177. Christiansson J. Changes in mucopolysaccharides during alloxan diabetes in the rabbit. Acta Ophthalmol 36:141, 1958

178. Xiong H, Cheng HM. Change of vitreous tonicity in “sugar” cataracts. Invest Ophthalmol Vis Sci 29:149, 1988

179. Lundquist O, Osterlin S. Glucose concentration in the vitreous of nondiabetic and diabetic human eyes. Graefes Arch Clin Exp Ophthalmol 232:71, 1994

180. Sebag J, Buckingham B, Charles MA, et al Biochemical abnormalities in vitreous of humans with proliferative diabetic retinopathy. Arch Ophthalmol 110:1472, 1992

181. Sebag J, Nie S, Reiser K, et al Raman spectroscopy of human vitreous in proliferative diabetic retinopathy. Invest Ophthalmol Vis Sci 35:2976, 1994

182. Stitt AW, Moore JE, Sharkey JA, et al Advanced glycation end products in vitreous: Structural and functional implications for diabetic vitreopathy. Invest Ophthalmol Vis Sci 39:2517, 1998

183. Katsumura C, Sugiyama T, Nakamura K, et al Effects of advanced glycation end products on hyaluronan photolysis: A new mechanism of diabetic vitreopathy. Ophthalmol Res 36:327, 2004

184. Faulborn J, Bowald S. Microproliferations in proliferative diabetic retinopathy and their relation to the vitreous. Graefes Arch Clin Exp Ophthalmol 223:130, 1985

185. Tasman WS. Diabetic vitreous hemorrhage and its relationship to hypoglycemia. Mod Prob Ophthalmol 20:413, 1979

186. Snead MP, Yates JRW. Clinical and molecular genetics of Stickler syndrome. J Med Genet 36:353, 1999

187. Sebag J, Ansari RR, Dunker S, Suh SI: Dynamic light scattering of diabetic vitreopathy. Diabetes Technol Ther 1:169, 1999

188. Sebag J. Seeing the invisible—The challenge of imaging vitreous. J Biomed Optics 9:38, 2004

189. Sebag J. Myopia effects upon vitreous—Significance in retinal detachments. In Stirpe M, ed. Anterior and Posterior Segment Surgery: Mutual Problems and Common Interests. Acta of the 5th International Congress on Vitreo-Retinal Surgery. New York: Ophthalmic Communications Society, Inc., 1998:366–372

190. Verbraeken H, Van Egmond J. Non-diabetic and non-oculotraumatic vitreous haemorrhage treated by pars plana vitrectomy. Bull Soc Belge Ophthalmol 272:83, 1999

191. Sarrafizadeh R, Hassan TS, Ruby AJ, et al Incidence of retinal detachment and visual outcome in eyes presenting with posterior vitreous separation and dense fundus-obscuring vitreous hemorrhage. Ophthalmology 108:2273, 2001

192. Byer NE. Posterior vitreous detachment as a risk factor for retinal detachment. Ophthalmology 102:528, 1995

193. Kakehashi A, Schepens CL, de Sousa-Neto A, et al Biomicroscopic findings of posterior vitreoschisis. Ophthalmic Surg 24:846, 1993

194. Green RL, Byrne SF. Diagnostic ophthalmic ultrasound. In Ryan SJ, ed. Retina. St. Louis: CV Mosby, 1989:268

195. Chu T, Lopez PF, Cano MR, et al Posterior vitreoschisis—An echographic finding in proliferative diabetic retinopathy. Ophthalmology 103:315, 1996

196. Rodman HI, Johnson FB, Zimmerman LE. New histopathological and histochemical observations concerning asteroid hyalitis. Arch Ophthalmol 66:552, 1961

197. Wasano T, Hirokuwa H, Tagawa H, et al Asteroid hyalosis–posterior vitreous detachment and diabetic retinopathy. Am J Ophthalmol 19:255, 1987

198. Moss SE, Klein R, Klein BE. Asteroid hyalosis in a population- the Beaver Dam eye study. Am J Ophthalmol 132:70, 2001

199. Mitchell P, Wang MY, Wang JJ. Asteroid hyalosis in an older population: The Blue Mountains Eye Study. Ophthalmic Epidemiol 10:331, 2003

200. Sebag J, Albert DM, Craft JL. The Alstrom syndrome–ocular histopathology and retinal ultrastructure. Br J Ophthalmol 68:494, 1984

201. Rodman HI, Johnson FB, Zimmerman LE. New histopathological and histochemical observations concerning asteroid hyalitis. Arch Ophthalmol 66:552, 1961

202. Streeten BA. Disorders of the vitreous. In Garner A, Klintworth GK, eds. Pathobiology of Ocular Disease—A Dynamic Approach.. New York: Marcel Dekker, 1982:1381

203. Yu SY, Blumenthal HT. The calcification of elastic tissue. In Wagner BM, Smith DE, eds. The Connective Tissue. Baltimore: Williams & Williams, 1967:17

204. Lamba PA, Shukla KM. Experimental asteroid hyalopathy. Br J Ophthalmol 55:279, 1971

205. Winkler J, Lunsdorf H. Ultrastructure and composition of asteroid bodies. Invest Ophthalmol Vis Sci 42:902, 2001

206. Komatsu H, Kamura Y, Ishi K, et al Fine structure and morphogenesis of asteroid hyalosis. Med Electron Microsc 36:112, 2003

207. Yazar Z, Hanioglu S, Karakoc G, et al Asteroid hyalosis. Eur J Ophthalmol 11:57, 2001

208. Hitchings RA, Triparthi RC. Vitreous opacities in primary amyloid disease—A clinical, histochemical, and ultrastructural report. Br J Ophthalmol 60:41, 1976

209. Koga T, Ando E, Hirata A, et al Vitreous opacities and outcome of vitreous surgery in patients with familial amyloidotic polyneuropathy. Am J Ophthalmol 135:188, 2003

210. Doft BH, Rubinow A, Cohen AS. Immunocytochemical demonstration of prealbumin in the vitreous in heredofamilial amyloidosis. Am J Ophthalmol 97:296, 1984

211. Jaffe NS. Retinal detachment in aphakia and pseudophakia. In Klein EA, ed. Cataract Surgery and its Complications, 5th ed. St. Louis: CV Mosby, 1990:635

212. Ninn-Pedersen K, Bauer B. Cataract patients in a defined Swedish population, 1986 to 1990. V. Postoperative retinal detachments. Arch Ophthalmol 114:382, 1996

213. Osterlin S. Macromolecular composition of the vitreous in the aphakic owl monkey eye. Exp Eye Res 26:77, 1978

214. Osterlin S. On the molecular biology of the vitreous in the aphakic eye. Acta Ophthalmol 55:353, 1977

215. Bradford JD, Wilkinson CP, Fransen SR. Pseudophakic retinal detachments. Retina 9:181, 1989

216. Kangro M, Osterlin S. Hyaluronate concentration in the vitreous of the pseudophakic eye. Invest Ophthalmol Vis Sci 26:28, 1985

217. Javitt JC, Vitale S, Canner JK, et al National outcomes of cataract extraction. I. Retinal detachment after inpatient surgery. Ophthalmology 98:895, 1991

218. Thompson JT, Glaser BM. Role of lensectomy and posterior capsule in movement of tracers from vitreous to aqueous. Arch Ophthalmol 103:420, 1985

219. Smith RT, Moscoso WE, Trokel S, et al The barrier function in Neodymium-YAG laser capsulotomy. Arch Ophthalmol 113:645, 1995

220. Schubert HD, Morris WJ, Trokel SL, et al The role of vitreous in the intraocular pressure rise after Nd:YAG laser capsulotomy. Arch Ophthalmol 103:1538, 1985

221. McDonnell PJ, Patel A, Green WR. Comparison of intracapsular and extracapsular surgery. Histopathologic study of eyes obtained postmortem. Ophthalmology 92:1208, 1985

222. Kraff MC, Sanders DR. Incidence of retinal detachment following posterior chamber intraocular lens surgery. J Cataract Refract Surg 16:477, 1990

223. Javitt JC, Tielsch JM, Canner JK, et al National outcomes of cataract extraction—Increased risk of retinal complications associated with Nd:YAG laser capsulotomy. Ophthalmology 99:1487, 1992

224. Tielsch JM, Legro MW, Cassard SD, et al Risk factors for retinal detachment after cataract surgery—A population-based case-control study. Ophthalmology 103:1537, 1996

225. Coscas G, Soubrane G. Severe myopia or myopia-disease? Rev Prat 43:1768, 1993

226. The Eye Disease Case-Control Study Group. Risk factors for idiopathic rhegmatogenous retinal detachment. Am J Epidemiol 137:749, 1993

227. Percival SP. Redefinition of high myopia—The relationship of axial length measurement to myopic pathology and its relevance to cataract surgery. Dev Ophthalmol 14:42, 1987

228. Curtin BJ. The Myopias—Basic Science and Clinical Management. Philadelphia: Harper & Row, 1985

229. Berman ER, Michaelson IC. The chemical composition of the human vitreous body as related to age and myopia. Exp Eye Res 3:9, 1964

230. Balazs EA, Toth LZJ, Jutheden GM, et al Cytological and biochemical studies of the developing chicken vitreous. Exp Eye Res 4:237, 1965

231. Pickett-Seltner RL, Doughty MJ, Pasternak JJ, et al Proteins of the vitreous humor during experimentally-induced myopia. Invest Ophthalmol Vis Sci 33:3424, 1992

232. Van Alphen GWHM. Emmetropization in the primate eye. In Boch G, Widdows K, eds. Myopia and the Control of Eye Growth. New York: John Wiley & Sons, 1990:115

233. Grossniklaus HE, Green WR. Pathologic findings in pathologic myopia. Retina 12:127, 1992

234. Stirpe M, Heimann K. Vitreous changes and retinal detachment in highly myopic eyes. Eur J Ophthalmol 6:50, 1996

235. Singh A, Paul SD, Singh K. A clinical study of the vitreous body in emmetropia and refractive errors. Orient Arch Ophthalmol 8:11, 1970

236. Akiba J. Prevalence of posterior vitreous detachment in high myopia. Ophthalmology 100:1384, 1993

237. Barraquer C, Cavelier C, Mejia LF. Incidence of retinal detachment following clear-lens extraction in myopic patients. Arch Ophthalmol 112:336, 1994

238. Ogawa A, Tanaka M. The relationship between refractive errors and retinal detachment—Analysis of 1,166 retinal detachment cases. Jpn J Ophthalmol 32:310, 1988

239. Younan C, Mitchell P, Cumming RG, et al Myopia and incident cataract and cataract surgery: The Blue Mountains Eye Study. Invest Ophthalmol Vis Sci 43:3625, 2002

240. Sebag J. Vitreous effects of cataract surgery and YAG capsulotomy—Role in postoperative retinal detachments. In Stirpe M, ed. Anterior and Posterior Segment Surgery: Mutual Problems and Common Interests. Acta of the 5th International Congress on Vitreo-Retinal Surgery. New York: Ophthalmic Communications Society, Inc., 1998:85–88

241. Jaffe NS, Clayman HM, Jaffe MS. Retinal detachment in myopic eyes after intracapsular and extracapsular cataract extraction. Am J Ophthalmol 97:48, 1984

242. Badr IA, Hussain HM, Jabak M, et al Extracapsular cataract extraction with or without posterior chamber intraocular lenses in eyes with cataract and high myopia. Ophthalmology 102:1139, 1995

243. Colin J, Robinet A. Clear lensectomy and implantation of a low-power posterior chamber intraocular lens for correction of high myopia: A four-year follow-up. Ophthalmology 10:73, 1997

244. Fernandez-Vega L, Alfonso JF, Villacampa T. Clear lens extraction for the correction of high myopia. Ophthalmology 110:2349, 2003

245. Colin J, Robinet A, Cochener B. Retinal detachment after clear lens extraction for high myopia: Seven-year follow-up. Ophthalmology 106:2281, 1999

246. Ripandelli G, Billi B, Fedeli R, et al Retinal detachment after clear lens extraction in 41 eyes with high axial myopia. Retina 17:78, 1997

247. Sebag J. Myopia effects upon vitreous—Significance in retinal detachments. In Stirpe M, ed. Anterior and Posterior Segment Surgery: Mutual Problems and Common Interests. Acta of the 5th International Congress on Vitreo-Retinal Surgery. New York: Ophthalmic Communications Society, Inc. 1998:366–372

248. Pirie A. The effect of hyaluronidase injection on the vitreous humour of the rabbit. Br J Ophthalmol. 33:678, 1949

249. O'Neill R, Shea M. The effects of bacterial collagenase in rabbit vitreous.Can J Ophthalmol 8:366, 1973

250. Moorhead LC, Chu HH, Garcia CA. Enzyme-assisted vitrectomy with bacterial collagenase—Time course and toxicity studies. Arch Ophthalmol 101:265, 1983

251. Verstraeten T, Chapman C, Hartzer M, et al Pharmacologic induction of PVD in the rabbit. Arch Ophthalmol 111:849, 1993

252. Chow DR, Williams GA, Trese MT, et al Successfulclosure of traumatic macular holes. Retina 19:405, 1999

253. Trese MT, Williams GA, Hartzer MK. A new approach to stage 3 macular holes.Ophthalmology 107:1607, 2000

254. Williams JG, Trese MT, Williams GA, et al Autologous plasmin enzyme in thesurgical management of diabetic retinopathy. Ophthalmology 108:1902, 2001

255. Hesse L, Nebeling B, Schroeder B, et al Induction of posterior vitreousdetachment in rabbits by intravitreal injection of tissue plasminogen activator following cryopexy. Exp Eye Res 70:31, 2000

256. Unal M, Peyman GA. The efficacy of plasminogen-urokinase combination in inducing posterior vitreous detachment. Retina 20:69, 2000

257. Valmaggia C, Willekens B, de Smet M. Microplasmin induced vitreolysis in porcine eyes. Invest Ophthalmol Vis Sci 44:3050, 2003

258. Gandorfer A, Rohleder M, Sethi C, et al Posterior vitreous detachment induced by microplasmin. Invest Ophthalmol Vis Sci 45:641, 2004

259. Tezel TH, Del Priore LV, Kaplan HJ. Posterior vitreous detachment with dispase. Retina 18:7, 1998

260. Oliviera LB, Tatebayashi M, Mahmoud TH, et al Dispase facilitates posterior vitreousdetachment during vitrectomy in young pigs. Retina 21:324, 2001

261. Jorge R, Oyamaguchi EK, Cardillo JA, et al Intravitreal injection of dispase causes retinal hemorrhages in rabbit and human eyes. Curr Eye Res 26:107, 2003

262. Hikichi T, Masanori K, Yoshida A. Intravitreal injection of hyaluronidase cannot induce posterior vitreous detachment in the rabbit. Retina 20:195, 2000

263. Wang ZL, Zhang X, Xu X, Sun XD, Wang F: PVD following plasmin but not hyaluronidase: implications for combination pharmacologic vitreolysis therapy. Retina 25:38, 2005

264. Hikichi T, Masanori K, Yoshida A. Posterior vitreous detachment induced by injection of plasmin and sulfur hexafluoride in the rabbit vitreous. Retina 19:55, 1999

265. Thresher RJ, Ehrenberg M, Machemer R. Gas-mediated vitreous compression: an experimental alternative to mechanized vitrectomy Graefes Arch Clin Exp Ophthalmol 221:192, 1984

266. Hageman GS, Russell SR. Chondroitinase-mediated disinsertion of the primate vitreous body. Invest Ophthalmol Vis Sci 35:1260, 1994

Back to Top